Paso 1: Paso 1: introducción







Después de llegar a Suiza hace unos años, me di cuenta de que Berna está ocupada con miles y miles de bicicletas – más difícil encontrar espacio de estacionamiento para la bicicleta que para el automóvil. Hay gran garaje en el centro sólo para las bicicletas y siempre está lleno. Todos (niños, adolescentes, padres con hijos en remolques, personas mayores o ambos sexos...) les paseo todo el año, incluyendo cae con la nieve. Los conductores son bastante tolerantes hacia ellos, respetarlos y tener cuidado en el tráfico. Hay un montón de bicicletas rutas y líneas en la ciudad y sus alrededores (casi en todas las carreteras locales). Muchas partes de la ciudad tenían restricción general de velocidad hasta 30 km/h ~ 18,6 MPH y hay gran zona peatonal en el casco antiguo, para bicicletas...
¿Verdadero paraíso para algunos vehículos de rueda varios pedales para dos personas mayores (ahora jubilados)? No debe ser seguro en bicicleta de dos ruedas, especialmente en una especie de tándem para dos de nosotros – y algunos triciclos que vi, son demasiado caros para nosotros. Por lo tanto, finalmente comencé a cepillar, comprar componentes y construir mi propio cuatriciclo para dos personas! Fue planeado y construido sólo para relajado crucero a través y alrededor de Berna y más a través de la maravillosa campiña, más de una alegría y recreación de luz, pero algún uso práctico también (transporte gratuito)...
Tenía cochera para trabajo, compró algunas herramientas, hacer algunas variantes y ahora han acabado sencillo y barato HPV-cuatriciclo! Después de considerar todas las variantes posibles de triciclos, elegir coche de cuatro ruedas (cuatriciclo), debido a la estabilidad y la distribución más fácil de una pesada carga. Juntos tenemos casi 190 kilos ~ 419 libras, lo que podría ser en los límites de dichos vehículos. Manteniendo originales ruedas de MTB fue otra razón para tener cuatro de ellos.
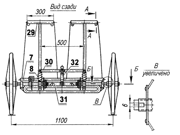
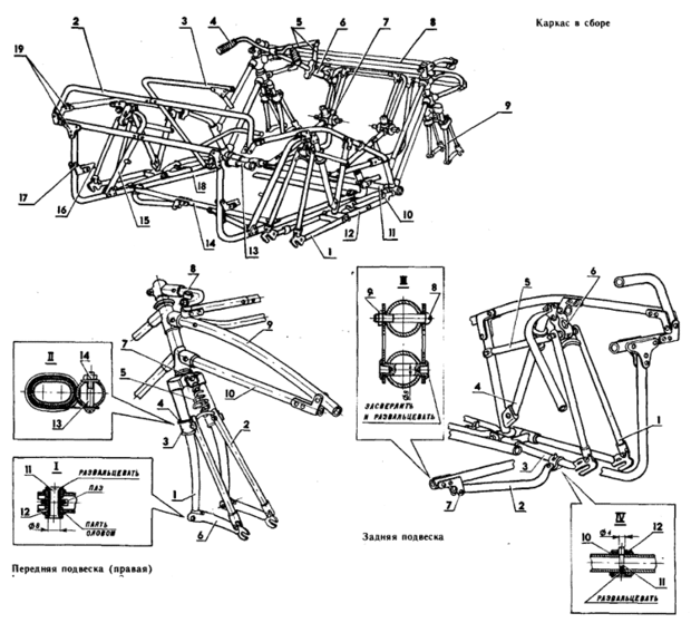
P.S.: Adjunto son bocetos de algunos viejo Ruso Velomóviles (período de USSR)













