Paso 2: Cómo funciona - electrónica


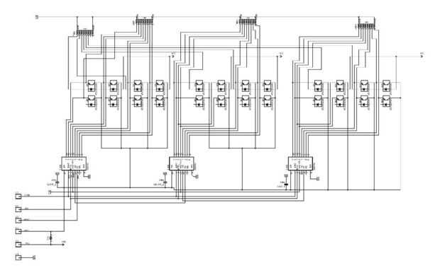
Cada puerta tiene dos sensores de QRE1113 . Cuando una abeja está presente, luz IR reflejada activa el sensor IR alta y el registro de desplazamiento Lee alta. De lo contrario las resistencias de 100K tiran los sensores IR bajo (a tierra).
Este diseño utiliza 3 registros de cambio. Cada registro de desplazamiento puede leer sensores de 8 o 4 puertas para un total de 24 sensores y 12 puertas. Los registros de cambio continúe rastrear la presencia de las abejas y determina de que manera va la abeja.
Sólo uno de cada sensor se utiliza; tal que un LED de infrarrojos proporciona suficiente luz para reflectancia accionar ambos receptores IR cuando una abeja pasa bajo uno. Esto reduce piezas y simplifica la Junta.
La lista de piezas para el tablero principal es el siguiente:
Los costes por tarjeta $6,5 vía oshpark
Sensores de reflectancia Qre1113 (sensores de 24) $10,08
Cambio de registros qty(3) $1,08 74HC165
resistencias de 100k qty(3) $2,04 matriz de resistor de 100 k
resistencias LED (47 o 100) qty(1) $0,68 matriz de resistor de 47 ohmios, matriz del resistor de 100 ohm
Cabezales para puertas qty(13) $5,85 seis cabezales de perno
Conectar el contador de abeja a tu Arduino con cinco hilos.
VCC = > 3.3V o 5V (para resistencia de 45 ohm LED de uso de 3.3 voltios y 5 voltios uso 100 ohm resistencia de LED)
MISO - master_in_serial_out, se conecta a la QH
SCK - reloj
Carga - pin de carga paralelo
GND - Masa
Estas son conexiones muy estándar para la lectura de registros de cambio. Aquí está el ejemplo del clásico botón de arduino
Usted notará que he roto a la VCC para los LEDs de IR. Esto se hace si quieres a pulso (PWM) los LEDs y ahorrar en energía.