Paso 2: Diseño de la electrónica para el parpadeo led


Hay muchas maneras de hacer un parpadeo de LED pero en este proyecto hemos querido que sea ligero, barato y factible con componentes relativamente comunes.
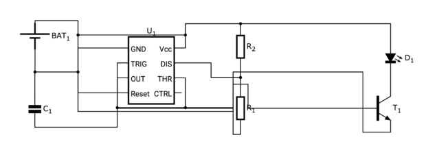
Para el diseño de la electrónica que utilizamos circuitos 123D porque es gratis y tiene un simulador de electrónica impresionante. Hemos sido capaces de diseñar un circuito y asegúrese de que el LED de parpadear la velocidad adecuada y construir el circuito basado en el diseño.
Estamos usando el temporizador 555 ubicuo para crear la señal de encendido/apagado para el LED y un transistor de NPN para asegurarse de que el LED es buena y brillante. La versión más básica de este circuito utiliza dos resistencias y un condensador, y en lugar de hacer los cálculos para averiguar qué valores necesitamos para conseguir el parpadeo derecha (1 periodo seg), utilizamos esta calculadora en línea: http://ve7sar.net/555calculator/timer.php
Comprueba el circuito por debajo y pulse el botón "Start Simulation" para verla parpadear!
También se puede jugar con el circuito por ir a la página de diseño de circuitos 123D y lo duplicando:
https://123D.circuits.IO/Circuits/1031569-LED-Paper-Helicopter