Hacking el Spy Video Trakr con maldita ' rayos láser... Y misiles! (5 / 9 paso)

Paso 5:

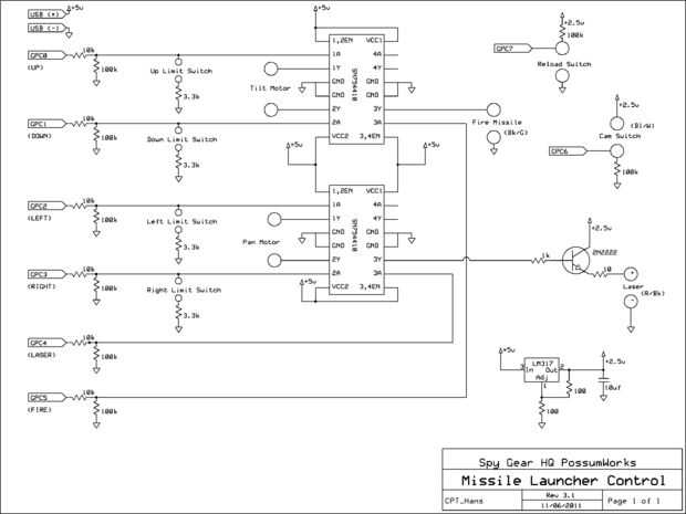
Aquí es el circuito esquemático.

Artículos Relacionados

Hacking el Spy Video Trakr II

Hacking el Spy Video Trakr II

en el Instructable anterior, "Hacking the Spy Video Trakr" ( aprendió a abrir el Trakr e instalar masculinos encabezados en las conexiones de GPIO en el circuito. También aprendió a escribir, compilar e instalar un programa corto en el Trakr a p
Hacking el Spy Video Trakr III: hacer un Bot Grabber de Legos, circuitos de Snap y el Spy Video Trakr

Hacking el Spy Video Trakr III: hacer un Bot Grabber de Legos, circuitos de Snap y el Spy Video Trakr

en este instructable demostrará cómo utilizar Legos, los circuitos de Snap y el Spy Video Trakr para crear un bot de capturador control remoto. Mostrará cómo descargar e instalar el compilador de lenguaje C para el Trakr. A continuación voy a explica
Hacking el Spy Video Trakr

Hacking el Spy Video Trakr

el Trakr es un robot control remoto equipado con una cámara de video color y micrófono, speaker, un cerca LED de infrarrojos para visión nocturna, una ranura para tarjeta memoria SD para grabación de audio y vídeo y 8MB de a bordo de memoria para alm
Hackear tus circuitos rápidos con maldita ' rayos láser! Construir un Tripwire láser y alarma

Hackear tus circuitos rápidos con maldita ' rayos láser! Construir un Tripwire láser y alarma

aprender a construir un tripwire láser y alarma de presión circuitos. Se construirán dos circuitos: el circuito de tripwire láser y el circuito de alarma. La alarma es un oscilador muy simple de dos transistores que se conecta el relé en el circuito
Spy Video Trakr: Añadir un accesorio de garra de Lego

Spy Video Trakr: Añadir un accesorio de garra de Lego

en honor de la semana nacional de robótica y el reto de Robot de Instructables presento unos diseños de robot. Este diseño (para las edades 13-18) aprovecha Spy Video Trakr de Wild Planet, que es fácilmente programable y diseñado por sus desarrollado
Spy Video Trakr: Añadir un lanzador de misiles

Spy Video Trakr: Añadir un lanzador de misiles

en honor de la semana nacional de robótica y el reto de Robot de Instructables presento unos diseños de robot. Este diseño (para las edades 13-18) aprovecha Spy Video Trakr de Wild Planet, que es fácilmente programable y diseñado por sus desarrollado
Tiburones con maldita ' Laser vigas atado a la cabeza!

Tiburones con maldita ' Laser vigas atado a la cabeza!

"Sabes, tengo una petición simple. Y es que los tiburones con maldita ' laser vigas atados a la cabeza! " -Dr. EvilTodos amamos a ese impresionante villano Mike Meyers. Sus posiciones de las manos pegajosas, el juego fresco. gato sin pelo... (ne
Google Earth Spy Video efecto cómo Tutorial

Google Earth Spy Video efecto cómo Tutorial

Google Earth Spy Video efecto cómo Tutorial - los mejores bloopers son un clic de distancia , este video está diseñado para demostrar cómo hacer un espía satélite falso video con Google Earth. no desnudos fueron perjudicados en la realización de este
BRICOLAJE casero Spy cámara con infrarrojos LED CCTV Webcam

BRICOLAJE casero Spy cámara con infrarrojos LED CCTV Webcam

BRICOLAJE casero Spy cámara con CCTV cámara web y visor en Color negro blanco tomar de viejo Handcam Sony de cámaras, papel, batería 18650, vieja Webcam infrarroja LED CCTV y fin de semana algunas veces...
Trabajo ligero Kinetic con módulos láser servo-controlado

Trabajo ligero Kinetic con módulos láser servo-controlado

Describe cómo construí el Ventilador de láser, una obra de arte cinética interactiva mediante servos y láseres. Esta fue mi primera pieza terminada mi residencia muelle 9 y estoy muy contento con cómo resultó! Los elementos activos del Ventilador lás
Enviar música a través de un rayo láser

Enviar música a través de un rayo láser

ADVERTENCIA: este proyecto consiste en el uso y modificación de dispositivos láser. Mientras que los láseres que sugerir el uso de (indicadores de rojo comprados) son relativamente seguros manejar, nunca mirar directamente en un rayo láser, cuidado d
Hacer un tambor de registro con un cortador láser

Hacer un tambor de registro con un cortador láser

Un tambor de registro consiste en una caja resonante con una llamativa superficie con dos fichas diferentes de tamaño. Las dos lengüetas producen dos notas diferentes cuando se golpea. Este tambor de registro fue diseñado como un conjunto de placas q
SOPORTE de acrílico COOKBOOK - ahora con más láseres

SOPORTE de acrílico COOKBOOK - ahora con más láseres

en este instructable, te voy a mostrar cómo hice un bonito stand Cookbook acrílico usando un cortador láser y una dobladora de tira calor.Cuando haya terminado, usted tendrá un accesorio de cocina atractiva, de aspecto moderno que puede contener un l
Crear tablas de Cribbage 3D personalizado con un cortador láser!

Crear tablas de Cribbage 3D personalizado con un cortador láser!

Hey hay gente!Hoy voy a probar y le mostrará cómo hacer un tablero de cribbage usando un cortador láser!En le punto menos en la dirección correcta para empezar.* Sólo recientemente comenzó a fabricar tablas de cribbage para amigos y familiares este a