Paso 7: VGA Video


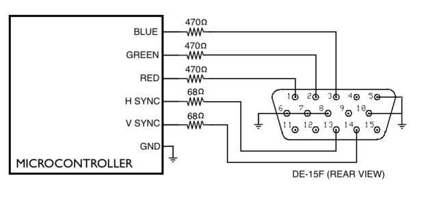
Este tutorial cubre VGA básica generación desde un Arduino usando el esquema que se muestra a continuación. Las piezas son para hacer que esta interfaz VGA básica. Considere el uso de la contracción de la tubería como se muestra a hacer un cable conectorizado agradable como hicimos para el cable de vídeo compuesto.
Este es un ejemplo un poco mejor VGA para que las partes también se incluyen. Por último, aquí está un ejemplo de salida VGA de 64 colores .