HackerBoxes 0001: Árbol de Navidad LED 3D coche inteligente robótica, NodeMCU, (1 / 15 paso)

Paso 1: árbol 3D: esquema, lista, teoría de la operación de piezas

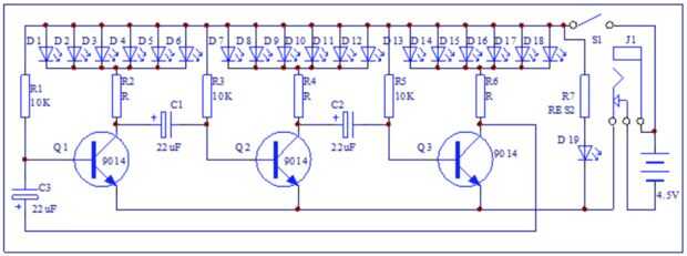
Árbol 3D vacaciones lista de piezas:

  • R1, R3, R5: resistencias de 10 K ohmios
  • R2, R4, R6: 1K resistencias de ohm
  • R7: K 2 resistencias de ohm
  • C1, C2, C3: condensadores de 47uF
  • Q1, Q2, Q3: 9014 transistores
  • D1-D6: LED verde
  • D7-D12: LEDs rojos
  • D13-D18: LED amarillo
  • D19: LED rojo

Cada una de las resistencias de 10K y condensadores de 47uF forma un oscilador RC que empuja periódicamente el transistor asociado. Los tres osciladores RC están en cascada en una cadena para evitar que el ciclismo fuera de fase que hace que el parpadeo aparecen al azar alrededor del árbol. Cuando el transistor está limitando "en" corriente pasa a través de un banco de 6 LEDs y su actual 1K resistencia provocando Banco a parpadear en.
Aquí está una buena explicación del concepto básico usando una sola etapa (un oscilador y un transistor).

Artículos Relacionados

Árbol de Navidad LED

Árbol de Navidad LED

7 LEDs hacen un árbol de Navidad.Si puede soldar un poco, puede hacer un árbol de Navidad sin el daño de los árboles. Tarda 7 LEDs, algunos cables y una batería. Eso es todo.El video de abajo dispone de algunas estrellas de la Navidad del LED también
Árbol de Navidad LED bordado

Árbol de Navidad LED bordado

inspirados en el Tutorial de bordado electrónico de Becky Stern, este patrón utiliza LEDs como la cadena de luces en un árbol de Navidad de fieltro aplique.He incluido un modelo de árbol que se adapta a 8" o 6" aros de bordado, o usted puede hac
Árbol de Navidad Leds

Árbol de Navidad Leds

Este es mi primer proyecto DIY y Instructables. Es un simple árbol de Navidad hecho de Leds. Voy a intentar explicar lo mejor que pueda. Si tienes alguna pregunta no dude en preguntar.Paso 1: equipo de Manos PCBCortador de alambreAlicates de punta de
ÁRBOL de Navidad del LED en plexiglás

ÁRBOL de Navidad del LED en plexiglás

Aquí le damos un instructivo de lo que un simple árbol de Navidad con LED. Brilla una luz constante y es alimentado por 4 1,5 pilas de V (AA).Paso 1: piezas:COMPONENTES:mm de Plexiglas [225 x 274]5 x LED amarillo 5mm8 x LED rojo 5mm27 x LED verde 5mm
Intermitente de automaticlly de árbol de Navidad colorido

Intermitente de automaticlly de árbol de Navidad colorido

Hola chicos, este es la segunda vez (prototipos inteligentes) publicamos un instructivo aquí, gracias por ver! Mantendremos el post divertidos instructable.Este es un regalo del árbol de Navidad! Instalar a mano intermitente colorido árbol de Navidad
Árbol de Navidad con LEDs de plataforma

Árbol de Navidad con LEDs de plataforma

este es un proyecto de día rápido que usted puede hacer con los materiales existentes para poco o ningún costo. También me gustaría indicar que este es mi primer Instructable!Hice esta plataforma árbol de Navidad como un regalo para un miembro de la
Hacer girar la luz el árbol de Navidad con LEDs y juguete Motor

Hacer girar la luz el árbol de Navidad con LEDs y juguete Motor

Awsome DIY arbolito con mini luces led y motor del juguete dc su fácil DIY y buen regalo para Navidad, usted puede hacer cualquier color de su elección eligiendo diverso color led luces, para hacer sólo requiere 3v batería de la moneda y batería de 9
Brillante led estrella del árbol de Navidad

Brillante led estrella del árbol de Navidad

¡ Hola! Este es mi primer instructable. Varias veces comenzó a escribir algo, pero nunca había publicado cualquier cosa. Sin embargo, esta vez decidí ir a través y completar este instructable.Esta guía está dirigida a construir y desarrollar una bril
Árbol de Navidad del LED micro regalo envoltura

Árbol de Navidad del LED micro regalo envoltura

Surgió esta idea de envoltura de regalos cuando quise hacer algo diferente en envolver los regalos en lugar de un envoltorio de regalo normal. Puede implementar esta idea de embalaje cuando alguien está dando un pequeño regalo de regalo (regalos vali
Árbol de Navidad con LED y música, controlado con Arduino

Árbol de Navidad con LED y música, controlado con Arduino

en esta temporada festiva, casi todo el mundo ha hecho su árbol de Navidad en su hogar, pequeña o grande. En este post, veremos cómo crear un árbol de Navidad con unos €, utilizando Arduino. A través de este microcontrolador podrá elegir entre varios
Árbol de Navidad del LED alimentado por USB

Árbol de Navidad del LED alimentado por USB

para las vacaciones, quería dar un par de mis amigos algo fresco, en ese momento me había enseñado la teoría de circuitos simples y se encapricha con LEDs.ASÍ, ordené los LEDs dos semanas de Navidad, pensando que esto sería tiempo suficiente para la
Video trazado de árboles de Navidad de LED

Video trazado de árboles de Navidad de LED

Para nuestro DJ anual latón impuesto Navidad episodio de equipo construí dos espacialmente asignados árboles de Navidad de LED. Consisten en unos 230 píxeles RGB y permanente alrededor de 7 pies de altura de estos árboles fueron totalmente video capa
Arduino controla el árbol de Navidad de LED RGB posicional

Arduino controla el árbol de Navidad de LED RGB posicional

En este Instructable nos va creando un árbol de Navidad de LED RGB programables y construyendo (X, Y) posición de las luces en el Arduino que podemos crear diferentes patrones tanto animada como estática. Yo recomendaría esto a cualquier persona que
Árbol de Navidad de LED parpadea (No programación)!

Árbol de Navidad de LED parpadea (No programación)!

En este proyecto le mostrará cómo hice mi decoración de Navidad este año, un árbol de Navidad de 120x80cm y parpadeante adornos guirlande y la mejor parte - absolutamente sin programación!El proyecto es muy fácil pero un poco lento, como todo lo que