Paso 2: Diseño de Tracker


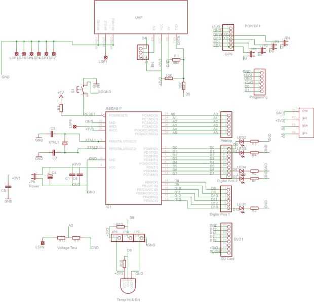
A este paso son los archivos de esquema y placa de águila que usé para el tablero de mi tracker, junto con dos archivos .zip: una con los archivos de tabla y esquema y otra que contiene todos los archivos gerber para las distintas capas. Mi consejo funcionó bien, pero no era 100% perfecto, por ejemplo, los LEDs en el puerto serie líneas realmente deben tirar hasta + 3v3 en lugar de tirar hacia abajo a la tierra para que sean de cuando no hay actividad.
Puede bien prefieren diseñar su propio tablero, o al menos modificar mina. Si haces esto entonces hay una serie de características que son necesarias o útiles para un tracker de altura. Estos son algunos que vale la pena considerar:
Energía:
No puede enviar una batería alcalina para arriba en la atmósfera - se consigue de a -50 ' C y simplemente dejan de funcionar.
A pesar de que se aísle su carga útil, desea utilizar pilas de litio desechables - son luz y funcionan bien a bajas temperaturas.
El GPS y tarjeta SD corren 3.3v solamente. luego se fríe 5V. Si puede ejecutar todo en la misma tensión ahorras perder demasiado poder en las conversiones de voltaje.
Si utiliza una fuente de alimentación conmutada o un regulador de ultra bajo de la salida puede sacar más tiempo de vuelo de su paquete de energía.
Robustez:
Se podría hacer tu circuito con un montón de cables sueltos, tomas o sobre placa perforada, pero va a hacer frío y sacudido sobre!
Si se puede vale la pena diseñar un PCB personalizado y soldar todo directamente a él. Tomas de no perder el contacto, al menos para las partes críticas. Mi PCB es pequeño y barato pero permitirá soldar de procesador, cristal, GPS y radio. He elegido para soldadura directa de la antena de radio también.
Partes:
Radio - en el Reino Unido hay son unas frecuencias estrechas se puede utilizar desde el aire y aún así sólo se puede 10 MW. La NTX2 es una de las pocas opciones viables para los módulos de radio.
GPS - diseño de un módulo GPS puede ser difícil e ideal sería mantenerse alejado de todo lo demás. He optado por un módulo hecho de antemano que podría soldar arriba y apagado al lado de la placa principal. Es importante tener en cuenta también que muchos GPS no operar por encima de 14 kilómetros de altura. GPS de ublox tienen un modo de vuelo que funciona. Para cualquier otro, necesita hacer su investigación antes de comprar/usar.
Microcontrolador - el ATMega 328 es una buena opción porque puede ser programado desde el IDE de Arduino muy fácil. También se ejecutará en 3v3 pero sólo a 8MHz. Sin embargo, es mucha potencia para un GPS de la lectura y ejecutar una radio de baja velocidad de procesamiento.
Temperatura - sensor de temperatura proporciona datos interesantes pero muchos no son clasificados hasta el -50 ' C que podríamos encontrar en la tropopausa. El DS18B20 es una buena opción porque son bastante baratos y están clasificados a las bajas temperaturas. Usted puede conseguir las "externas" que se encuentran selladas en un tubo de acero inoxidable para mayor protección. Vamos a usar uno externo un tablero-montado.
Presión - no hay demasiados sensores de presión "absoluta" que he encontrado. El Honeywell HSCDANN001BA2A3 supuestamente va hasta mBar "0" y en la práctica realiza bien hasta 8mBar en el vuelo. Su interfaz i2c es muy fácil de manejar. Honeywell hacer sobre un millón de millones de variantes pero muchos son sensores "relativos" - que miden la diferencia entre una cierta presión y atmosféricos. Necesita un sensor de presión "absoluta" porque es que estamos midiendo la presión atmosférica.
Tarjeta SD - usted podría potencialmente montaje en superficie su propio titular de la tarjeta SD pero que es bastante incómodo y no tengo suficiente área de tablero de todos modos. Tarjeta SD desbloqueos son baratos y fácilmente disponibles por lo que he elegido a uno por debajo de la placa principal para ser compacto y fácil de la soldadura. Un enfoque más claro sería soldar los cables a los pads de un adaptador de micro-SD y usarlo como un zócalo para una tarjeta micro-SD.
EDITAR
Adjunto ahora es un archivo .zip adicional. Contiene la versión 1.1 de la Junta (águila esquemático y archivos de la Junta, además de archivos gerber adecuados para itead studio y principales casas de Consejo). El los siguientes cambios se hicieron sobre v1:
LED de la serie línea pull en lugar de hacia abajo así que deben estar en sólo cuando datos transmitiendo.
Resistencias pull-up ahora presentan a bordo de líneas i2c
Espacio para regulador de ultra bajo de la salida a bordo
Voltaje de la batería ahora directamente conectado a la entrada V-prueba. Hay una pista en la mitad inferior que se puede cortar si no desea.
Yo no he volado v1.1 de la Junta así que allí podrían ser otros errores o problemas de nuevo con él. Sin embargo, a lo mejor de mi conocimiento esto aborda los problemas conocidos de v1.
Esofagogastroduodenal