Hacer un sencillo amplificador de Audio (2 / 10 paso)

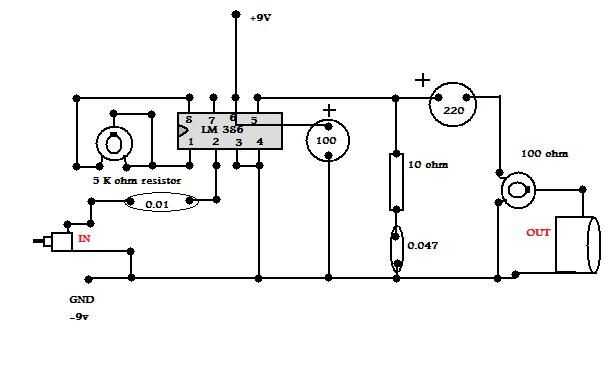
Paso 2: Diagrama del circuito

El circuito que vamos a hacer.

Gracias a cld000 por el dibujo esquemático.

Artículos Relacionados

Sencillo amplificador de audio

Sencillo amplificador de audio

en la mayoría de los casos el primer proyecto de electrónica para principiantes está construyendo sencillo amplificador de audio. Eso es porque requiere un número pequeño de elementos y no muchos conocimientos para construir uno.Para los amplificador
Cómo hacer un Mini amplificador de Audio sencillo

Cómo hacer un Mini amplificador de Audio sencillo

https://www.youtube.com/watch?v=H7rpCHgnEds&feature=youtu.bePaso 1: Hacer un amplificador de Audio sencillo Mini necesita!!!!!! En el vídeo de hoy te mostraré cómo hacer el intensificador sonido mini más simple basado en LM386.Paso 2: Paso a paso!!!
Más sencillo amplificador de AUDIO

Más sencillo amplificador de AUDIO

es un amplificador de AUDIO muy sencillo que utiliza una cañería IC 386 THT usted puede conseguir fácilmente de RADIO SHACK o cualquier electrónica ordinaria tiendaPaso 1: Tomar una clavija de entrada de AUDIO Fije dentro del circuito quePaso 2: Adju
Sencillo amplificador de Audio (caseros)

Sencillo amplificador de Audio (caseros)

Hacer un amplificador de Audio de alta fidelidad es muy fácil!Vea el video para más detalles sobre cómo hacer uno y disfrutar de audio en casa! :)
Sencillo amplificador de audio LM386

Sencillo amplificador de audio LM386

la canción es:Infected Mushroombonito semiPreguntas más frecuentes:P: el sonido sUxx0rz, arreglarlo!R: no, puesto que hay apenas cualquier pieza.P: ¿Cómo puedo agregar control de volumen?A: ya sea en serie con el altavoz (volumen) o entre las patilla
Simple DIY amplificador de Audio Lm386

Simple DIY amplificador de Audio Lm386

En este instructable, vamos a hacer un sencillo amplificador de audio con lm386. LM386 es el amplificador de audio de bajo voltaje y obtener el rango de 20 a 200. Es un ic de 8 pines.Lista de componentes:1. protoboard2. LM3863. altavoz de 8 Ω4. 10 po
Sencillo amplificador con TDA2822M

Sencillo amplificador con TDA2822M

En este instructable usted aprenderá, cómo hacer un sencillo amplificador de audio con el TDA2822M. El costo total de los componentes no cuesta mucho (máximo de $ 5) y porque el circuito es muy simple no es necesario un PCB, se puede hacer en un prot
Amplificador de Audio DIY

Amplificador de Audio DIY

este video te muestra cómo construir un sencillo amplificador de audio que se puede conectar a cualquier dispositivo con un conector de salida de audio (como un iPhone, que mostramos en este video).Partes necesarias:General de breadboard o ésteamplif
Cómo hacer un amplificador de Audio sencillo y portátil (LM 386)

Cómo hacer un amplificador de Audio sencillo y portátil (LM 386)

Esto es una manera fácil de construir un amplificador de audio de simlePaso 1: Ver el videoPaso 2: Ordenar todas las piezas que necesita:1) un LM3862) condensador V 16 de 220 μFResistencia de kΩ 10 A 3)Cable de mini Jack de 4)5) un interruptor6) 1W a
Amplificador de Audio sencillo - DIY

Amplificador de Audio sencillo - DIY

Bienvenidos a "Profesionales" de la tecnología de Sam otra vez..!!Se trata de un amplificador de audio cool y es fácil de construir. Sólo se requieren unos pocos componentes. Se basa en IC LM386 y sabes lo que encanta este IC es útil para varios
Hacer un 1-2 uH Inductor de núcleo de aire de salida para amplificador de Audio

Hacer un 1-2 uH Inductor de núcleo de aire de salida para amplificador de Audio

la salida de casi todos los amplificadores de audio contiene un circuito de un inductor y una resistencia en paralelo.  El inductor está allí para aumentar la estabilidad frente a los oradores que presentan una carga capacitiva.  La resistencia consi
Amplificador de audio con partes rescatadas

Amplificador de audio con partes rescatadas

Me gusta rescatar piezas electrónicas de equipos desechados. Mucha gente alegre donará no deseados radios, estéreos, radios CD y otros dispositivos para alguien como yo que quiere aprender y está dispuesto a conseguir. Muchos de los dispositivos elec
Amplificador de Audio Usando Celda Solar

Amplificador de Audio Usando Celda Solar

Construir noche de Marzo: Gadgets de perro marrón Vamos a construir un sencillo apmplificador alimentado por un panel solar.Necesitaremos:1 1N40011 condensador de 100uf a 10V (puede ser de mayor voltaje)1 Cable USB Charlotte libreAltavoces que usar a
Amplificador de Audio SNAPCIRCUITS

Amplificador de Audio SNAPCIRCUITS

Aquí es un amplificador de audio muy sencillo que usted podría hacer con piezas de los circuitos rápidos y un cable de auriculares.Paso 1: Piezas y herramientas:Usted podría conseguir todas las partes de un PRO SNAPCIRCUITS (excepto el cable del auri