Paso 1: Obtener su receptáculo

Antes de sumergirse en la parte más fácil, es decir. programación y diseño de la Junta del adaptador, necesita encontrar una manera de conectar su teclado a la placa.
Mayoría de los teclados ThinkPad clásico utiliza a tablero de conectores. Según eBay, si busca teclados de T60, encontrará que el ThinkPad T60, T60p, Z61p, Z61t, Z60, T61, R400, R500, T400, T500, X 41... comparte el mismo teclado y su matriz de teclado también puede ser intercambiable.
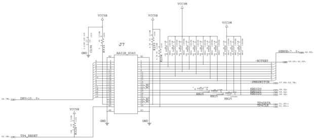
De esquemas de ThinkPad T60 que flota alrededor en el internet (véase el cuadro), encontré que el T60 utiliza JAE AA01B-S040VA1-R3000. No hay muchos proveedores que venden a estos ya que son propietarios. La mayoría de los que venden, venden con cantidad de orden mínima de 100. En sobre $4,90 más gastos de envío, es terriblemente caro. Así que si usted está interesado en conseguir algunos de esos, me mensaje.
Para más información sobre receptáculo ThinkPad T60, echa un vistazo a fotos y medidas de Felix: http://electronics.stackexchange.com/questions/64112/how-to-find-socket-for-keyboard-connector