Paso 7: Interruptor de encendido (sin interruptor de liberación de voltios)

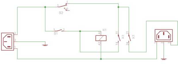
Esta característica es bastante estándar en herramientas tamaño más decentes. Se puede comprar listo de e-bay o hacer tu propio si tienes un relé contacto actual alta buena y un impulso para hacer y empuje a botones en la caja de desechos. Ver el diagrama del circuito.
S1 = botón (push para hacer)
S2 = botón de parada (pulsar a) - si lo haces así S2 debe ser un botón muy robusto como va a llevar toda la potencia va al torno. También debe ser grande y muy bien situado para la parada rápida.
K1 = Heavy duty con relé.