Paso 3: Diagrama del circuito

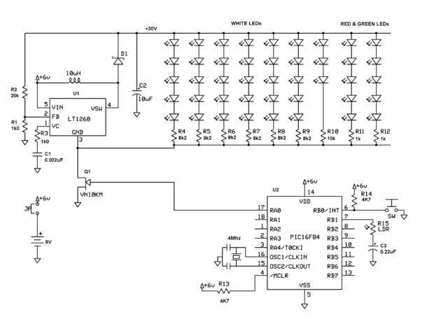
Es esencialmente un convertidor DC-DC y un PIC 16F84 (o PIC 16F88) para manejarlo.
Sw1 es un interruptor de prueba - empuje para hacer que el dispositivo de flash.
Hay un LDR en el tablero para detectar cuando se pone oscuro - que es cuando parpadea por un rato.













