Paso 6: Construcción de la placa de relé





2. - los relés opté por usar vinieron en un relé 2 DIP, por que había 2 relés independientes en 8 pin DIP. Para ello sólo tuve que orden 3.
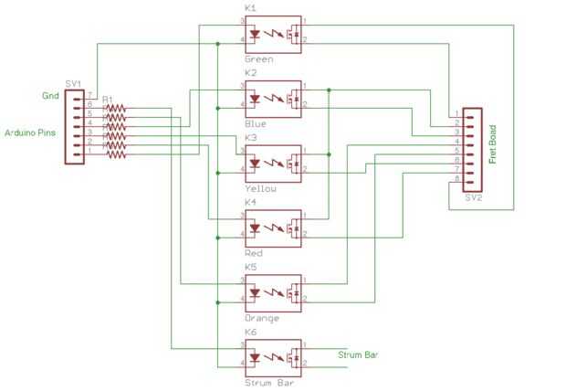
3. - el pinout de estos relés es bastante simple: pines 1, 2, 3 y 4 son los pines de control para el relé 1 y 2 respectivamente, mientras que los pines 5, 6, 7 y 8 son los pines de carga del relé 2 y 1 respectivamente. Puede encontrar más información en la hoja de datos: ***
4. - el primer paso en la construcción de la placa de relé es diseñar el circuito.
-Al diseñar el circuito que quieres poner los relés para los botones que comparten los cables juntos. Esto hace más fácil conectarse t.
-También sería útil después de averiguar qué botón cada relé va a conectar a marcarlo.
-Siguiendo el esquema sobre un resistor, en mi caso 200 Ohm, está conectado a los pines 1 y 3 de cada relé y pin 2 y 4 de cada relé está conectado a tierra.
-Pins 5 y 6, 7 y 8 están conectadas a los botones en el controlador de Guitar Hero. Donde 5 y 6 son los cables para un botón y 7 y 8 es los cables para un botón separado.
-Conectar la resistencia de cada uno de los relés a los pines de Arduino 2-7. Conectar relé verde a 2, el relé rojo 3, amarillo relé 4, relé el relé azul 5, la barra de rasgueo y relé naranja 6 a 7.
Nota: puede cambiar qué pernos están conectados a, pero se debe cambiar el código.
-Conectar pines 2 y 4 de cada relé para el conector de tierra en el Arduino.