Paso 2: Información sobre pantallas de cristal líquido



Pantallas de cristal líquido tiene muchos usos, puede ser utilizados en televisores, ordenadores y otros dispositivos eléctricos, son también muy fácil de usar. También hay muchos tamaños de ellos, por ejemplo 20 x 2 (Nota tamaño AxB significa A columnas y filas de B), 10 x 4 y así sucesivamente, en este proyecto he utilizado 8 x 2 LCD. Por lo tanto, módulos de exhibición de cristal líquido tienen 14 pines (pero en este tutorial necesitamos solamente 10, y sólo 6 pernos de ir a la placa arduino) y 2 otros pernos (ánodo + 4.2V (se pueden conectar a + 5V con resistencia de 100 ohm) y cátodo (tierra)) para luz de fondo LCD. Así que el pinout del LCD se ve así:
1 2 3 4 5 6 7 8 9 10 11 12 13 14
GND + 5V V0 R RS/W E D0 D1 D2 D3 D4 D5 D6 D7
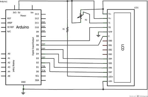
(En imágenes ver esquema de cableado del LCD)
Pin 1: Tierra Pin
Pin 2: + 5V Pin.
PIN 3: contraste ajustar el perno, y va a potenciómetro
Pin 4: es el pin de señal de selección de registro y va al pin del arduino 7 (pueden usar cualquier pin de I/O)
Pin 5: es pin leer escribir, en otras palabras si está establecido en alto y está en modo de lectura pero si se ha fijado a su modo de escritura, ya que sólo queremos escribir en la pantalla LCD sólo podemos conectarlo a tierra.
PIN 6: es activar señal Pin y va al pin 6 de arduino.
Desde el Pin 7 a Pin 14: pins de datos pero sólo necesitamos alfileres de 11 a 14.
Por lo tanto conectarse LCD pines Arduino como eso:
PIN 11: A Arduino pin 5
Pin 12: A Arduino Pin 4
PIN 13: A Arduino Pin 3
PIN 14: Al Pin Arduino 2
PIN 15: Ánodo Pin, conectar a + 5 V con resistencia de 100 ohm (ADVERTENCIA: no te olvides de esta resistencia, de lo contrario dañarás tu LCD)
Pin 16: Cátodo, la conexión a tierra
Después de cableado se le puede conectar tu arduino al ordenador y abrir el nuevo sketch de ejemplo (archivo -> ejemplos -> LiquidCrystal -> Hola mundo), después de bosquejo de la abertura, antes loop() se dará cuenta de esto:
LiquidCrystal lcd (12, 11, 5, 4, 3, 2);
Cambiar estos números a esto: (7, 6, 5, 4, 3, 2) (estos números son números de Pin de E/S que se conectan al LCD. Ejemplo: LiquidCrystal lcd (RS E, D4, D5, D6, D7)) (Nota: estamos utilizando este proyecto también utiliza la tarjeta SD y tarjeta SD sólo funciona en 13, 12, 11, 10 pernos)