¿Fuente de luz de espectro (1 / 6 paso)

Paso 1: circuito

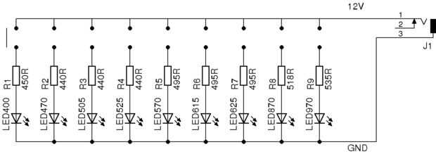
El circuito es trivial: sólo la unidad clásica de LED con un resistor limitador de corriente por el LED.  Uno por el LED para que podemos usar diferentes valores para los LEDs individuales.  El diagrama muestra los valores calculados para los LEDs que utiliza, para una fuente de 12V, ya que tienen diferentes caídas de tensión que van de 1.3V a 3.2V.  Cada uno se calcula como R = (Vsupply - Vdrive) / Idrive.  Por ejemplo, mi LED nm 470 enumera una gota delantera típica de 3, 2V, y vamos a utilizar la corriente de accionamiento típicos de 0.02A.  R = (12-3.2) / 0.02 = 440 ohmios.

Utilicé el siguiente mayores resistencias que estaban a la mano (490R y 680R) en lugar de conseguir demasiado precisa.  En una verificables de estos utilizo un resistor ajustable multivuelta por LED, pero no esta vez.

Tenía un cubo de energía útil para 12V disponible; pero usted puede considerar el uso de USB para una fuente de 5V.  Por favor, no utiliza pilas desechables para una fuente a menos que usted realmente tiene que.

Utilizan LEDs como muchos como usted quiere: nueve escogí solo porque eran lo que encontré en el catálogo fácilmente.

Artículos Relacionados

Fuente de luz de 10W LED fibra

Fuente de luz de 10W LED fibra

en los últimos años he sido poco a poco Armando un microscopio estéreo de Franken-ebay. El stand, microscopio y la luz de anillo todos vinieron de diferentes proveedores y fueron seleccionados sobre todo porque el precio era justo. Adaptar el soporte
Fuente de luz

Fuente de luz

Somos una clase de estudiantes de Stanford que, impulsadas por nuestro deseo de sustituir las fuentes afectadas por la sequía en el campus, decidió crear una fuente electrónica de luz, en lugar de agua, como el medio principal.Paso 1: materiales ESTR
Revivir un antiguo microscopio: la limpieza apropiada, nueva fuente de luz (con madera) y adaptador de cámara

Revivir un antiguo microscopio: la limpieza apropiada, nueva fuente de luz (con madera) y adaptador de cámara

¿Te gusta la ciencia?Si la respuesta es sí, entonces usted necesita un microscopio. ¿Por qué, usted pregunta? Porque puede tener una idea del mundo invisible lo contrario. Y también puede colocar un Pi de frambuesa y un Ipad (o cualquier otro tipo de
Seguimiento de una fuente de luz con un actuador

Seguimiento de una fuente de luz con un actuador

.. .o tal vez debería llamarse "Utilizando una célula solar viejo de una luz totalmente corroída del jardín como un sensor de luz". :)En este instructable, te construyo en mi anterior y mostrar cómo puede hacer un actuador de encontrar la fuente
Fuente de luz remota usando el sensor de luz

Fuente de luz remota usando el sensor de luz

En este instructable le demostraré cómo hice una fuente de luz que será accionada por un sensor de luz a través de un módulo de comunicación de 2,4 GHz lo que le permite mover el sensor de luz sin que está conectado a un cable.Cuáles fueron mis lucha
La fuente de luz: un reloj de arena bioluminiscente

La fuente de luz: un reloj de arena bioluminiscente

imagina una lámpara que no requiere ninguna energía y se apaga su propia. También imagina una mascota que no va a morir sin la supervisión constante. Estos confluyen en el reloj de arena bioluminiscente!Bioluminiscencia es la capacidad de los organis
Fuente de luz portátil

Fuente de luz portátil

una fuente de luz portátil, con pilas puede ser muy útil en la búsqueda de métodos rápidos y baratos al aire libre de iluminación (o en el interior cuando una salida es difícil de conseguir). Este instructivo cubre el diseño y la fabricación de una f
Preciosa fuente de luz...

Preciosa fuente de luz...

Esto usé muchas veces para preservar la fuente de luz preciosa...Paso 1: tomar una batería... Llevar una batería si no se puede tomar una fuente pequeña batería de un coche rc... también podemos tomar una pila de otros dispositivos de rc.Paso 2: ahor
Abrir la fuente de luz trasera de bicicleta de Automatic bricolaje 2.0

Abrir la fuente de luz trasera de bicicleta de Automatic bricolaje 2.0

Una luz de cola mejorado que se enciende automáticamente cuando oscurece. Las mejoras incluyen un PCB personalizado para facilitar el montaje con componentes mejor, mejor diseño de componentes y más brillante LED.Por favor haga clic abajo para apoyar
Fuente de tensión controlada por luz

Fuente de tensión controlada por luz

Este Instructable es acerca de cómo generar una tensión para alimentar algo sólo por una fuente de luz diferente. No importa si esta fuente de luz es el sol o un LED PWM. Esta fuente de voltaje puede manejar corrientes de hasta unos pocos amperios (d
Macro fotografía luz fuente usando frío luces cátodo

Macro fotografía luz fuente usando frío luces cátodo

cuando tiro con una tienda ligera una fuente de luz de baja intensidad es bastante útil. CCFL (luz fluorescente de cátodo frío) en pantallas de LCD es perfecto para este propósito. CCFL y los paneles de la dispersión de la luz asociado pueden encontr
Robot seguidor de luz-fuente más simple

Robot seguidor de luz-fuente más simple

Hola a todos,Si usted está interesado en hacer un robot sencillo que sigue la luz, o debo decir que camina hacia una fuente de luz, entonces estás en el lugar correcto...Se puede ver robot en los dos videos de youtube en los accesorios.He hecho este
Espectrómetro de luz de una lámpara de inspección de cabeza "con pilas"

Espectrómetro de luz de una lámpara de inspección de cabeza "con pilas"

Hola si te gusta esto, por favor tómese el tiempo para votar en los concursosGRACIASAl final de mi luz de detección instructable donde jugué con la medida de reducir los niveles de luz del sol así como la fabricación en un juego de láser, mencioné qu
Sueño ligero del espectro de CD

Sueño ligero del espectro de CD

espectro de luz de colores para acompañar el sueño de hacerPaso 1: Material 1 mini cd/cd/brokencd (uso cd brillante y bien reflejando la luz)2. luces están brillando blanco (la luz que tiene el foco)Paso 2: forma de 1 utilizar sobre una pared blanca