Paso 2: Montaje en el coche

Para esta parte, se requieren habilidades un poco en la mecánica.
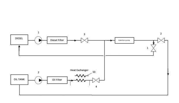
Para adaptar el coche para aprovisionar de combustible bi necesita otro tanque con comienzo y líneas de retorno que van a las válvulas de solenoide de aceite vegetal. Mangueras de combustible deben tener un diámetro mínimo de 8mm porque el aceite es más viscoso que el diesel y generar más caídas de presión.
Con electroválvulas chinas de baja calidad tienes que tener cuidado con la forma de montaje para no destruirla.
Ser muy cuidadoso con la infiltración de aire a las mangueras de combustible. Tienes que sellarlo correctamente con abrazaderas.
Conectar el intercambiador de calor para el sistema de refrigeración que se debe cortar en las mangueras del radiador interior antes de la válvula reguladora y poner T Esto evitar problema de hidráulica en el sistema de líquido refrigerante. Uso de fusibles para proteger todos los componentes eléctricos y evitar cortocircuiten.
Para evitar la alta resistencia y el recalentamiento, utilizar también el correcto diámetro de los cables eléctricos. Asegúrese de que todos los componentes estén fijados sólidamente y no pueden golpear las piezas móviles del motor o transmisión.
Para mecánicos expertos, también ligeramente puede cambiar el tiempo de inyección de la bomba de inyección y aumentar presión 180 bar de apertura de inyectores. Esto mejora el proceso de combustión con una mejor atomización del aceite vegetal que mejor kilometraje.
Usted encontrará adjunto el esquema a seguir.