Fotopletismografía (2 / 4 paso)

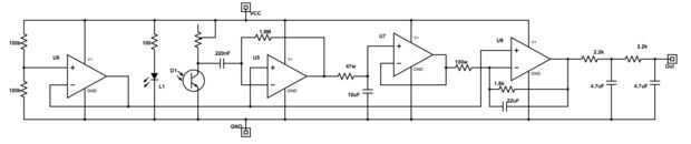
Paso 2: esquemático

Arduino 5v en VCC.

Arduino GND a GND.

Arduino A0 hacia fuera.

Artículos Relacionados

Fotopletismografía - (Monitor de ritmo cardíaco de IR)

Fotopletismografía - (Monitor de ritmo cardíaco de IR)

Este Instructable documenta cómo crear a un simple pulsómetro con fotopletismografía en un fototransistor IR vía transmisiva absorción utilizando el Arduino para procesar los datos pulsátiles y mostrar resultados en directo a través de una pantalla T
Detector de tensión de Arduino

Detector de tensión de Arduino

De EE122B, introducción a la electrónica biomédica, Universidad de StanfordImpartido por el profesor Greg Kovacs, primavera 2014El problema:El estrés es una parte omnipresente de la trepidante vida moderna. Además, hay un creciente cuerpo de investig
Arduino powered contador de pulso digital

Arduino powered contador de pulso digital

En este instructable, voy a mostrar cómo replicar mi PIC16F628A basado pulso metro proyecto con Arduino. Este proyecto utiliza una placa Arduino Uno, un sensor de fácil pulso Pluginy un módulo de pantalla de siete segmentos LED de 4 dígitos SPI . Se
Sensor de pulso de Arduino DIY

Sensor de pulso de Arduino DIY

Así que mencionado en un Instructable anterior que soy una ayudante de enseñanza (TA) para un curso introductorio de ingeniería por especialidad de la ingeniería biomédica en la Universidad de Vanderbilt. Mi tarea principal como un TA es re-escribir
Heart rate monitor with PC connectivity

Heart rate monitor with PC connectivity

Un monitor(HRM) de pulso es un dispositivo de vigilancia personal que le permite medir la frecuencia cardíaca en tiempo real o grabar la frecuencia cardíaca para estudio posterior. Son muy utilizado por artistas de diversos tipos de ejercicio físico.
Microcontrolador mide frecuencia cardíaca a través de la yema del dedo

Microcontrolador mide frecuencia cardíaca a través de la yema del dedo

Frecuencia cardíaca es un parámetro de salud vital que se relaciona directamente con la solidez del sistema cardiovascular humano. Este proyecto describe una técnica de medición de la frecuencia cardíaca a través de la yema del dedo usando un microco
Dispositivo usando arduino de medición del ritmo cardíaco

Dispositivo usando arduino de medición del ritmo cardíaco

Este proyecto le muestra cómo diseñar y construir un dispositivo para medir el ritmo cardíaco mediante nuestro Arduino encantador!Paso 1: Información básica sobre este proyecto Un monitor de ritmo cardíaco es un dispositivo de seguimiento personal qu
Monitor de ritmo cardiaco con energía solar

Monitor de ritmo cardiaco con energía solar

¡ Hola todos! En este Instructable, te mostraré cómo hacer tu propio Monitor de frecuencia cardíaca basados en Arduino! Pero esto no es cualquier otro DIY calor Monitor de ritmo; Este es un Monitor de ritmo cardíaco accionado Solar!Este Monitor de ri