Paso 5: Controlador de Motor



Se utilizaron actuadores de ventana de coche de 12V porque son muy carnosos, fáciles de encontrar y generalmente barato en las tiendas de excedentes. Nos hemos comprado estos U$ 9 y U$ 15, y actualmente son $20 en surpluscenterdepot.com.
Algunos desmontaje se requiere para los motores de su mecanismo de movimiento lineal de ventana de coche, pero no es tan difícil.
Pueden elaborar estos motores de 12V a 5A cuando se estancó, pero para mover los altavoces sólo dibujan alrededor 1,5 a 2A. Y a pesar de están orientadas hacia abajo, todavía son super rápidos completo 12V, así que decidimos hacer a algunos PWM'ing para controlar un poco su velocidad.
Así, 12V, 2A a 5A, PWM y control bi-direccional... nos llevó a este pequeño circuito de driver puente H: TLE-5206. Nosotros podríamos ser cortarlo un poco demasiado cerca con la máxima especificación actual continua, pero para esta aplicación, sólo usamos una fuente de alimentación de 5A para ambos motores, por lo que es probablemente bien...
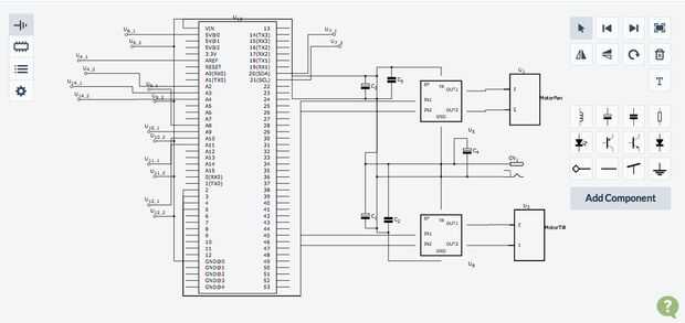
Aquí se encuentra nuestro circuito para conducir dos de ellas, con final de carrera. La junta fue hecha para un Arduino Mega ADK, porque cuando diseñamos primero esto, esperábamos utilizar la ADK, pero pueden hacerse para cualquier otro tipo de Arduino con 4 pines PWM y 4 pines digitales de entrada.
El código para el Arduino es básicamente una pequeña máquina de estado que espera comandos de movimiento desde un celular Android y luego activa los motores prestando atención a los fines de carrera.
Aquí es el mecanismo sometido a velocidad completa 12V.