






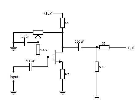
El amplificador se basa en un estándar Mosfet de canal N (IRF740 en mi caso) y es rápido y fácil de construir con resultados bastante aceptables. Había podrido el disipador de calor para esto de los reguladores de tensión en una placa base antigua. Su clasificado en sobre 9C/W (aumento de 9 grados de temperatura para cada watt disipado). Cuando se ejecuta este cirucit, el disipador térmico esté lo suficientemente frío como para tocar :)
Este circuito utiliza un simple clase A comunes mosfet de fuente configurado para manejar casi cualquier conjunto de auriculares (8 ohmios +). Este circuito trabaja a través de lo mosfet parcialidad en clase una operación con una corriente de reposo de ~ 150 mA. Salida de energía máxima está limitada a sobre 52mW @ 8 ohmios a través de la resistencia en serie con los auriculares de 33R, este poder es con el inicio de cierta distorsión. Probar este circuito usando mis Auriculares Sennheiser HD201, son muy eficientes y muy sabrosos con este circuito de sonido! : P
Utiliza solamente un puñado de componentes que más constructores de electrónica pueden encontrar en las cajas de componentes etc.. Este circuito puede trabajar con cualquier tensión de 6v-24v aslong como caja los componentes se tiene en cuenta. Menor voltaje, menos energía se puede entregar a los auriculares antes de que ocurra distorsión.
Dudas sobre teoría o construcción, por favor ¡ Anímate y pregunta! Si usted tiene cualesquiera peticiones para algunos circuitos de diseño simple, si tengo tiempo, estoy feliz intento un instructable sobre ellos :)
Disfrutar pero mantente a salvo!
ADVERTENCIA! No se hace responsable de cualquier pérdida o daños de la audiencia realizada a través del uso de este circuito, esto es sólo con fines educativos y pérdida de la audición puede ocurrir si mal!