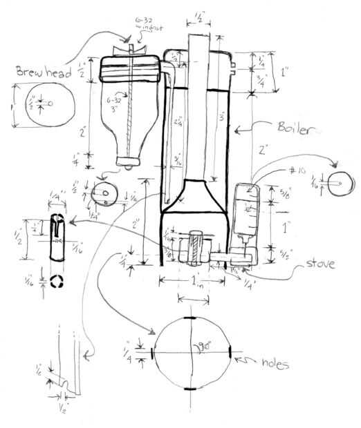
Paso 6: Construir parte 1


1. Perfore los 4 orificios 1 reductor de ½in
2. feo soldadura ½ en tubo en el 1 a ½in reductor
¿La soldadura de feo?
Restricción de diseño 3 dice que se podrían utilizar herramientas sólo simples y baratos. Consideré que un soplete no encajaría en el proyecto de ley porque no todo el mundo tiene uno, y probablemente yo mismo usando uno quemaría. También, si uno de los miembros más jóvenes quería hacer uno de estos como un regalo de Navidad, tendría que encontrar otra forma de soldar todo junto de una manera más segura. El sólo otra herramienta que vino a la mente que el proyecto de ley era un soldador. Pero nada es gratis en la vida. Es lento y el producto final es realmente feo.
Tuve que presentar la soldadura para que se vean un poco más agradable, pero era la única manera de permanecer en el lado bueno de las restricciones.
Así que, decidí llamar a esta soldadura fea «técnica».
Nota: uso sólo sin plomo soldadura.