Paso 1: Los componentes y el circuito

El circuito twinkler está construido alrededor de un chip AVR ATMega328, con un chip de array de Darlington ULN2803 utilizado para manejar el LED.
La lista completa está aquí
- 1 - U1 ATMega328 (DIP28N)
- 1 - array de transistores Darlington ULN2803 de U2 (DIP18)
- 1 - U3 LM7805 + 5V 1A fijada el regulador de voltaje
- 1 - D1 1N4002 un diodo de potencia
- 1 - C1 100nF condensador
- 1 - POT Potenciometro variable de 10 k lineal
- 1 - R1 100K resistencia
- 8 - R2 - R9 resistencia 150 Ohm
- 24 - 's mientras LED ultrabright - LA0071UB
- 2 - 3 conectores
- 1 - 10 conector
- Vero (Junta de tira)
- Caja de plástico
- 12 - conectores de bloque eléctrico
- 1 - toma de corriente 2.1mm DC
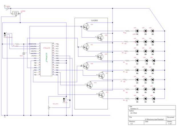
El esquema es más simple de lo que parece
D1 es un diodo para proteger el circuito cuando conecto el poder la manera incorrecta redonda.
Hay un regulador de voltaje de 5v (U3, LM7805) obtiene el voltaje al nivel adecuado para el AVR ATMega328 (U1)
Los condensadores, resistencia R1 y el oscilador de cristal, son necesarias para conducir el ATMega328
El potenciómetro se conecta a A0 y se utiliza para establecer el nivel de los LED para no molestar a la gente por la noche, pero se puede ver en el día.
Las salidas digitales de la ATMega328 ir a U2 un chip ULN2803 con 8 pares de transistores darlington, que se utilizan para conducir el real LED. Las resistencias restantes manejar la corriente a través del LED.
Utilizar conectores así que puedo quitar la Junta Directiva de la caja si es necesario.
El circuito fue desarrollado en TinyCad, un programa freeware.