Estera de la yoga (3 / 7 paso)

Paso 3: Hacer el circuito

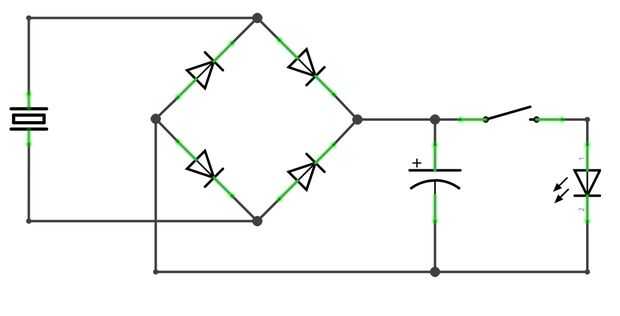
Tenemos que seguir el esquema dado. En primer lugar, soldar un par de cables en tanto las áreas de la piezo. Es decir, la soldadura en la zona gris y otro en la zona brillante de plata o de oro. Como sabemos, tenemos que conectar las piezas en paralelo. Por lo tanto, conecte todos los cables provenientes de la parte (brillante) base de piezoeléctricos que tener cuidado. Si es necesario, puede fijar una placa de cobre en ambos lados de la cartulina y conectarse todos los cables de la base de piezoeléctricos placa de cobre. Se conectarán entre sí. Ahora, toma los cables desde la parte superior de la piezo y conectarlos. También puede conectarlos en el segundo tablero de cobre si usted quiere ser más organizado. A continuación, conecte un trozo de alambre a una placa de cobre y el otro pedazo de alambre a la otra tabla. La polaridad no tiene nada que hacer aquí como los cristales producen corriente alterna. Fijar como se menciona en el siguiente paso. A continuación, hacer un puente de rectificador usando los diodos 1N4007. La parte gris es el extremo negativo del diodo. Así que disponerlas como se muestra en la imagen y les de la soldadura. Conecte los dos cables (mostrados como alambres verdes en la figura) como se muestra. Conecte dos cables (uno se muestra como rojo + ve CC y el otro azul - ve C.C.). A continuación, identificar los polos del condensador electrolítico. Generalmente, el polo negativo está claramente marcado. Conecte el cable azul desde el rectificador al polo negativo del condensador. Conecte el cable rojo a un terminal del interruptor. Conecte la otra terminal del interruptor para el polo positivo del condensador. Mantenga un multímetro probar las conexiones y medir la tensión de prueba.

Artículos Relacionados

Estera de la Yoga del corte del laser

Estera de la Yoga del corte del laser

Si estás en el yoga, como go-crazy-if-you-miss-a-day, usted también podría loco bastante al laser corte su estera de yoga.Este proceso toma mucho tiempo y esfuerzo, estamos hablando de más de 6 horas de lasering del tiempo (aunque esto depende del mo
Limpie su estera de Yoga

Limpie su estera de Yoga

tres técnicas de limpieza para mantener tu yoga mat inodoros y libres de bacterias.El yoga es una manera maravillosa para quitar el estrés a través de fomentar la meditación y la relajación. Puede ser difícil relajarse sin embargo, cuando su estera e
¿Yoga Mat Sling correa

¿Yoga Mat Sling correa

sólo compró un nuevo mat de yoga y es el momento de tomar su primera clase de yoga?  ¿No mucho tiempo? ¿No hay máquina de coser? Este instructable es para ti!Preámbulo (se puede omitir esto).Todos sabemos en realidad hay solamente 2 cosas que entre n
Para aliviar el estrés con Yoga

Para aliviar el estrés con Yoga

El estrés es una parte común de la vida cotidiana. En pequeñas cantidades es perfectamente manejable pero si se deja sin control puede ser debilitante. El estrés también conduce a la producción de una hormona llamada cortisol que, en grandes cantidad
Ajustable con muy poco dinero Yoga Mat Sling

Ajustable con muy poco dinero Yoga Mat Sling

necesitaba una eslinga ajustable, barata para un nuevo mat de yoga y esto es lo que se me ocurrió. Utilicé un par de cordones redondos, pero usted podría apenas como fácilmente uso paracord o alguna otra cuerda.Paso 1: materiales Todo lo que necesita
Cosplay de brujo - Geralt de Rivia

Cosplay de brujo - Geralt de Rivia

Uno de mis juegos favoritos de 2015 es brujo 3, y me encanta el kaer morhen armadura, tanto de hecho, que convenció a intentar hacer mi propia armadura usando múltiples técnicas que me permiten hacer tal cosa... con no herramientas de trabajo de cuer
Mi camioneta / Campero

Mi camioneta / Campero

Esto es una plataforma que construí para poder dormir en mi carro y guardar mi equipo debajo.Paso 1: Piensa en lo que quieres. Empecé pensando por qué yo quería hacer mi carro en un camper. He decidido dividir el área de almacenamiento por debajo en
Construcción de armadura EVA Foam para el novato Crafter

Construcción de armadura EVA Foam para el novato Crafter

Si eres un nerd o no, crear tu propia armadura disfraz le dará la sensación satisfactoria de cumplimiento y cuando usado con otros componentes del traje, el resultado visual es impresionante. Este manual de instrucción describirá varias técnicas bási
MEGAMAN está de vuelta!

MEGAMAN está de vuelta!

Mi hijo finalmente hizo su elección para un disfraz de halloween de este año. Fue una batalla cercana entre Megaman y Sonic! MEGAMAN ganó después de que mi colección de Juegos vintage. Cameron es un ávido jugador de video y un fanático de lego! Una v
LEGO científico

LEGO científico

charactors de Lego han hecho mucho, pero quería hacer una versión de científico para que coincida con mi profesión. La parte más difícil sin duda estaba tratando de hacer algo que se supone que tiene un brillo suave acabado en todas partes. Esperemos
Cruz espiga Perchero

Cruz espiga Perchero

Este proyecto explora las posibilidades presentadas por impresión 3d para avanzar en técnicas de carpintería tradicional más allá de lo que es posible hacerlo en madera sola.Paso 1: diseño Como otros 3d-impreso/multimedia proyectos que he hecho antes
Creación de una estación Base para uso con un vehículo autónomo.

Creación de una estación Base para uso con un vehículo autónomo.

Este de estación de Base se concibió originalmente como el centro de control para el vehículo de prueba-O-f-concepto de FishPi (POCV). Tenía en mente un caso de vuelo de aluminio con un teclado, ratón, pantalla LCD y un Hub USB con extensiones para U
Almacenamiento de armas de fuego oculto - se parece a una vieja mesa!

Almacenamiento de armas de fuego oculto - se parece a una vieja mesa!

Hay ventajas y desventajas para cada método de asegurar tus brazos deportivos u otros objetos valiosos. Por una cantidad considerable de dinero, usted puede comprar cajas fuertes casi inexpugnables. Subrayo la palabra "casi" aquí porque cada caj
Aparato de Hoffman para el gas de hidrógeno puro

Aparato de Hoffman para el gas de hidrógeno puro

estoy harto de hidrocarburos. Hay mucho mejores gases que hacen el mismo trabajo.¿Sabía usted – el motor de Rudolf Diesel fue hecho para funcionar con aceite de cacahuete, y el original Ford Modelo T fue diseñado para el combustible de etanol?De todo