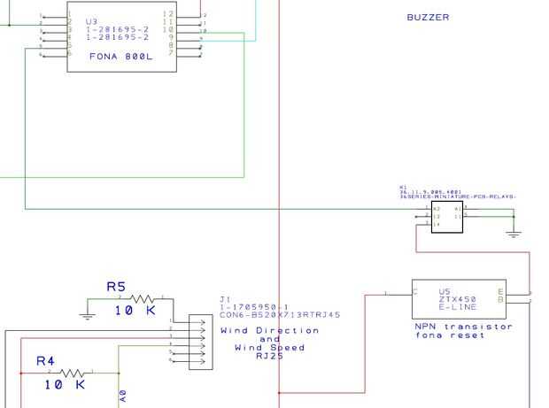
Paso 17: Reiniciar FONA

A veces noté que el FONA 800L encerrados sin razón aparente y debe reposicionarse en forma manual por lo que pongo en una función de reset para ello automáticamente cada 24 horas:
El hardware utiliza un relé de tipo de cubo de azúcar para ello como solo los transistores no funcionan.