
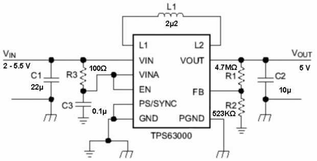
Debido a la resistencia del cable de conexión y las resistencias para detección de la corriente para la protección de la sobreintensidad de corriente, el voltaje en el centro puede ser en cualquier lugar entre +4.5 V(loaded) y +5.5 V. Este circuito entregará una estabilizada + 5 V en ambos casos, es decir, es un diseño de buck/boost, usando la viruta de regulador de modo interruptor de TPS63000 fabricada por Texas Instruments.
Puede entregar + 5 V a 500 mA de voltajes de entrada tan bajas como 2 voltios para una batería recargable y su cargador (powered USB) pueden añadirse para hacer esto en un UPS de USB para el concentrador USB.