Paso 2: Ojos esqueleto: LEDs y sensor de








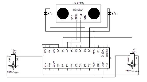
Ahora toma el sensor ultrasónico (sugiero SRF05 porque SR04 más baratos son a menudo escuchas) y caber dentro de las órbitas: Esto permitirá su esqueleto "ver" si alguien está cerca de él y también hace el esqueleto un poco más "miedo" como parece ser "mirando" a usted... En mi caso utilicé un cortador dejó el sensor encajar correctamente las órbitas.
Luego fijar los dos LED rojos junto a la sonda y conecte todo a Arduino siguiendo el esquema adjunto.
Instalar la biblioteca SRF05 (archivo "SRF05.zip") en el directorio "libraries" (o usando el IDE de Arduino), luego subo el programa de esbozo (archivo "Scheletro.ino"), coloque su ardu-esqueleto en alguna parte y usted está listo para tener un Halloween divertido con tus amigos!