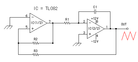
Paso 3: Más sobre el circuito


R1: 270 kΩ
R2: kΩ 220
R3: 100 kΩ
R4 = R5: 300 Ω
C1: 47 ΜF, 100 ΜF, 150 ΜF
C2: 3.3 ΜF
Si usted tiene trabajo con el NE555, te darás cuenta que los valores que utiliza son bastante bajos; Esto es porque quería un pulso corto que puede ser detonante muy juntos o muy separado. También si ves detalladamente ambos diagramas, usted notará que he utilizado diferentes voltajes para cada parte del circuito. Esto es porque no pude encontrar otra forma de hacerlo funcionar. Para la fuente de alimentación utiliza una fuente de alimentación de ordenador antiguo (he usado + 12V, - 12V, + 5V, - 5V y tierra).
Los motores están conectados a cada salida del NE555 (Pin #3) y tierra.