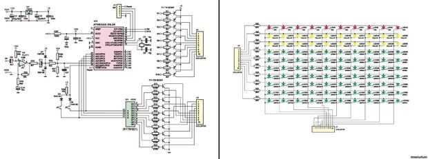
Espectro Anylizer

es un anylizer de espectro que conseguí en la red en un sitio ruso. Personas que les gusta este tipo de luces en acción con música que también tiene 3 modos de dispongan haciéndolo... Grabé un modo y también ha añadido mi propio circuito de amplificador de micrófono para adaptarse a mis necesidades... Por favor, si alguien quiere compartir un led circuito de la mesa por favor envíeme un correo electrónico a domdomgin

http://youtu.be/CwCt6Vg1Yu8

Etiquetas: Espectro, Anylizer

Artículos Relacionados

Guanteletes de espectros del anillo

Guanteletes de espectros del anillo

Yo quería hacer unos guantes de aspecto auténtico para un traje de espectros del anillo.Aunque tenía unos requisitos:No quiero hacer guantes y estaba feliz de poner bits en compradas guantes.Quería mantener generalmente suave para que no hace daño a
Analizador de espectro de LED activa por sonido

Analizador de espectro de LED activa por sonido

Esta guía le mostrará cómo construir un analizador de espectro de LED. Esta había construido como una adición a mi gabinete de la arcada, aunque puede reutilizar esta guía y usar la luz de la barra en cualquier lugar que desee una pantalla de luz act
Espectro - pirámide geométrica de luz

Espectro - pirámide geométrica de luz

Sin duda, usted pudo haber visto los cubos LED - están por todas partes, incluso hice algunos.Pero ¿has visto una pirámide LED?Espectro es fácil de hacer, fácil de usar y divertido para ver a la pirámide que puede brillar en cualquier COLOR IMAGINABL
SpectrumLED-un espectro Variable increíblemente brillante 200 vatios LED Panel

SpectrumLED-un espectro Variable increíblemente brillante 200 vatios LED Panel

Oscurecimiento y cambiando el espectro de color de LED? IMPOSIBLE! ... Ahora no!Como este es mi Instructable 50, he decidido subir un super "edición especial" Instructable:Cómo hacer tu propio Panel de LED de espectro Variable increíblemente bri
$78 crece la luz - espectro completo, 22 vatios, sin calor

$78 crece la luz - espectro completo, 22 vatios, sin calor

Cultivo de plantas en el interior permite un nivel de precisión al aire libre no está disponible. Por esta razón, es bien adaptado a cultivo de una amplia variedad de cultivos y datos decisiones en plazos, consumo de energía, rendimiento, etc.. Un pr
¿Fuente de luz de espectro

¿Fuente de luz de espectro

necesita fuentes de luz monocromáticas?  Notar el hecho de que muchos LEDs tienen espectros muy estrechos, que quería hacer una fuente de luz multi-narrow-espectros para diversos fines científicos como para especímenes botánicos bajo el microscopio. 
Cómo configurar tu sistema de enfriamiento completo, espectro Laser agua

Cómo configurar tu sistema de enfriamiento completo, espectro Laser agua

recibí mi cortador del laser del completo espectro Gen 5 manía / grabador hoy en día, hay algunas cosas adicionales para obtener uno de estos láseres ya está en marcha. Este instructable irá sobre los pasos mínimos requeridos para su láser de refrige
Disfraz de espectro de seda

Disfraz de espectro de seda

aprender a crear un disfraz de espectro de seda en unos cuantos pasos!
Sueño ligero del espectro de CD

Sueño ligero del espectro de CD

espectro de luz de colores para acompañar el sueño de hacerPaso 1: Material 1 mini cd/cd/brokencd (uso cd brillante y bien reflejando la luz)2. luces están brillando blanco (la luz que tiene el foco)Paso 2: forma de 1 utilizar sobre una pared blanca
Analizador de espectro ATtiny85 con fix_FFT

Analizador de espectro ATtiny85 con fix_FFT

ATtiny85 analizador de espectro para la música a LED RGB con FFTEntusiasmado con el nuevo descubrimiento de la biblioteca FHT. Realmente definitivamente tuyo quiere darle una oportunidad en un ATtiny85. Después de horas masajeando el código para hace
Espejo de infinidad de analizador de espectro audio

Espejo de infinidad de analizador de espectro audio

hay algo fascinante sobre destella luces sincronizadas con música. lol. ¿Por qué no mezclar el efecto con un espejo infinito?Partes:• espejo, espejo falso y un espaciador entre las 2.• 21 cátodo común de RGB LED• 8 x 8 LED Audio Spectrum Analyzer• El
Jajaja Audio de escudo espectro medidor de VU

Jajaja Audio de escudo espectro medidor de VU

este es un medidor VU de espectro de audio usando Jajaja Shield para Arduino .El escudo de LoL es una matriz de LED de 14 x 9 que encaja en el Arduino como escudo y se controla a través de un método eficiente conocido como Charlieplexing . Fue diseña
Analizador de espectro con Edison de Intel

Analizador de espectro con Edison de Intel

Transformar su Edison de Intel en un increíble analizador de espectro a utilizar en las aplicaciones de audio!Con algunas líneas C y comandos terminal será capaz de visualizar tu canción favorita en el dominio de la frecuencia o las frecuencias que c
Reloj de espectro de luz

Reloj de espectro de luz

Mientras que el tiempo es continuo, mayoría de los relojes mostrar el tiempo de forma discreta; incluso 'relojes analógicos' a menudo mueven sus manos sólo una vez por segundo. En este instructable, voy a mostrar cómo construir un reloj que muestra l