Escudo GPIB para "Engadino" ("Pinguino") (3 / 6 paso)

Paso 3: El esquema del escudo

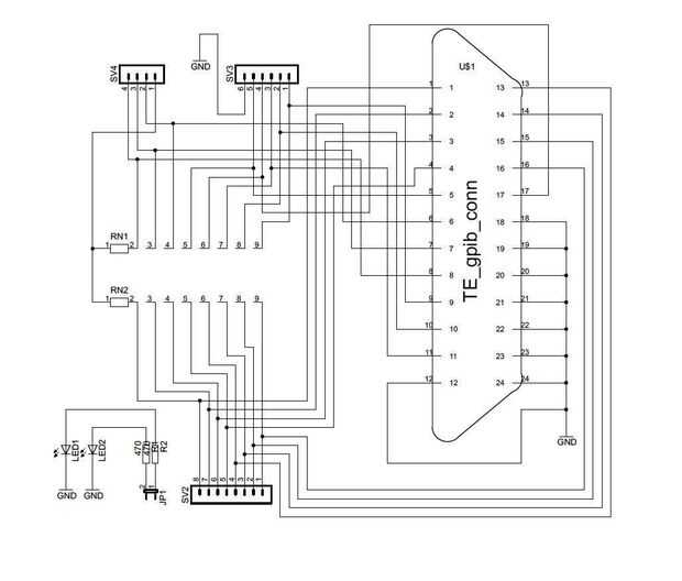
El esquema del escudo se muestra en la fotografía. Para los aficionados al bricolaje he adjuntado los archivos pdf, que pueden utilizarse para la transferencia de toner. Hay dos capas de metal utilizadas, pero puede ser usado sólo el póngalos PCB - las conexiones de la capa superior pueden reemplazarse por puentes de alambre.

Artículos Relacionados

Cartulina Escudo antidisturbios para Airsoft

Cartulina Escudo antidisturbios para Airsoft

en este instructable (mi primera) mostrando mal es el más barato, más fácil y probablemente la mejor variación de un escudo hecho en casa, puede ser cualquier forma o tamaño y tendrá un costo de alrededor de cinco libras.Paso 1: Necesitarás:CartónCin
Como hacer escudos personalizados para sus microcontroladores

Como hacer escudos personalizados para sus microcontroladores

Microcontroladores como Arduinos son una gran manera para controlar tus proyectos de electronica. Pero siempre hay alguna forma de conectar los componentes externos a la tarjeta del microcontrolador. Jumper cables puede trabajo para esto, pero tener
Un escudo personalizado para la hélice ASC - mando a distancia Infra-rojo - y múltiples dientes!

Un escudo personalizado para la hélice ASC - mando a distancia Infra-rojo - y múltiples dientes!

En mi primer proyecto se añadió una pantalla LCD de 2 líneas a la placa Arduino Shield Compatible (ASC).(  )En este proyecto también introducimos el uso de múltiples dientes, una característica única de la viruta de propulsor de la paralaje.Pantalla
Construcción de un escudo personalizado para el gángster Gadget propulsor plataforma

Construcción de un escudo personalizado para el gángster Gadget propulsor plataforma

Breadboards pueden ser rápidos para probar un circuito simple, pero son muy torpes a la hora de utilizar ese circuito.Así paso al siguiente nivel de prototipos de circuitos con un escudo personalizado como este para la plataforma de hélice de gángste
Teléfono Android utilizado como un escudo GSM para arduino

Teléfono Android utilizado como un escudo GSM para arduino

aqui mi otro video que muestra cómo utilizar app inventor y bluetooth la comunicación para una placa arduino y un dispositivo android. Esta vez estoy mostrando cómo utilizar la función de mensajes de texto con el fin de convertir el teléfono en un es
Escudo infrarrojo para pcDuino

Escudo infrarrojo para pcDuino

Infrarrojo es un tipo de comunicación inalámbrica, que puede utilizarse para transmisión inalámbrica de datos.Desde su invención en 1974, se ha utilizado ampliamente, por ejemplo, infrarrojo ratón, impresora de infrarrojos, teclados IR y así sucesiva
Gratuito rápido dremel fácil escudo protector para cortar con seguridad

Gratuito rápido dremel fácil escudo protector para cortar con seguridad

era cosas de corte con mi herramienta rotatoria, con gafas de seguridad.Una rueda se rompió y golpeó mi cara, así que decidí hacer un escudo.5 minutos y gratis.No hay mucho de un instructable pero totalmente vale la pena hacerlo.
Engadino

Engadino

este proyecto se denomina "Engadino" después de Engadin - estación de esquí en Suiza. La razón de esto es que vivo en Suiza, me gusta esquiar y el nombre es fácil de recordar y pronunciar. Por sí mismo el proyecto es un clon de "Pinguino&qu
"Escudo de giro" para el Arduino

"Escudo de giro" para el Arduino

esta pequeña placa 'Complemento' permite 'Torcedura' un existente Arduino Shield 90 grados de su huella originalPaso 1: El problema... ¿Has terminado alguna vez un proyecto y se dio cuenta se detuvo un paso demasiado pronto?Mientras que enchufar vari
Pintura por número de Zelda escudo

Pintura por número de Zelda escudo

mi primo de 11 año de edad es uno de los mayores fans de Zelda sé. Así que cuando oyó que planeaba hacer un escudo hyliano para mí él pidió mi hacer uno para él, también. Realmente estaba motivado y se sentó con mi Dremel tratando de hacer los adorno
Alarma GSM casa de escudo

Alarma GSM casa de escudo

SEGUIR mi BLOG > bengoncalves.netVER mis otros ISTRUCTABLES > Perfil de Ben HurEl otro día mi padre y yo estábamos discutiendo sobre los problemas de vivir en un país del tercer mundo. Debido a la desigualdad social, hay poca seguridad en las calles
Volando el escudo del Capitán América

Volando el escudo del Capitán América

Este es un vuelo escudo de Capitán América que usted puede hacer fuera de cinta adhesiva y cartulina. Hacer un par de ellos y puede batallar con tus amigos estilo Capitán América!Tenía dos objetivos en mente con este proyecto: 1) que el escudo termin
SensoDuino: Convertir su teléfono Android en un concentrador de sensores inalámbricos para Arduino

SensoDuino: Convertir su teléfono Android en un concentrador de sensores inalámbricos para Arduino

Actualizaciones23 de noviembre de 2013: SensoDuino 0.160 obtiene una cara izquierda.19 de noviembre. 2031: opinión: la increíble sinergia entre Arduino y Android.19 de noviembre de 2013: SensoDuino 0.159 está hacia fuera. Fecha teléfono Android (y, m
Escudo de madera de Link de Zelda

Escudo de madera de Link de Zelda

En este Instructable mostrará cómo hice el escudo de Link de Zelda. Ya que este es el 30 º aniversario de Zelda, pensé que haría un escudo de madera. Recuerdo a Zelda cuando era joven, ahora mi hijo y mi sobrina todavía están jugando el juego. No pue