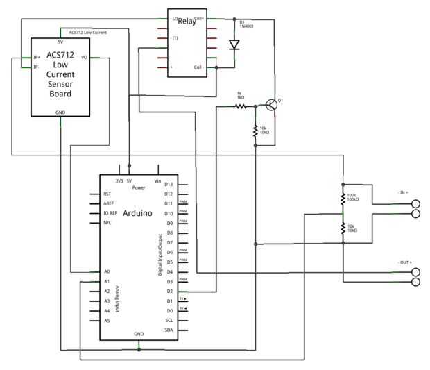
Paso 2: montaje






Copiar el esquema en un protoboard y compruebe que puede ejecutar el script de Energino, a continuación, puede empezar a soldar los componentes en un proto-board.
También puede utilizar este proyecto de Fritzing para ordenar un profesionalmente impreso PCB frorm Fritzing.
Fritzing es un código abierto una iniciativa de código abierto para diseñadores, artistas y hobists. Entre otras cosas Fritzing le permite crear un diseño personalizado de PCB y han fabricado para usted a un costo muy honesto. Por ejemplo un escudo Arduino cuesta 19 euros. Puede encontrar más información en su oficial página web y usted puede pedir el PCB de la Fab Fritzing.
En las fotos puede ver el escudo de Energino en la parte superior sea un Arduino UNO o un Arduino UNO + Ethernet Shield.













