Paso 3: La electrónica


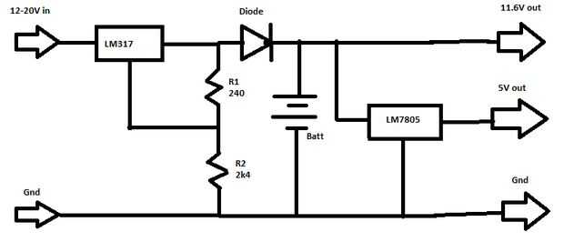
Ha podido obtener fotos aceptables en el circuito de carga, pero es un asunto sencillo si sigues el esquema.
No tener en cuenta que el LM7805 siempre señalar una pequeña corriente y drenar las baterías si conectado como se muestra. Recomiendo poner el interruptor de alimentación antes del LM7805 para evitar en vez de en 11.6V hacia fuera. A requiere un cable adicional y su cargador USB sólo funciona cuando está conectada la alimentación para el amplificador, pero es mejor que constantemente drenando sus baterías. Otra opción sería instalar un interruptor separado para el circuito USB y ejecutarlas de forma independiente.