
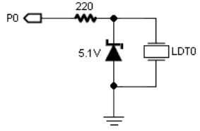
Para este instructable utilizamos un Digilent chipKit Max32, un 6.1V Diodo zener, un sensor de vibración, un módulo sin hilos de bluetooth, un micro servo y resistencias de Ohm 2 100. El sensor de vibraciones puede tener una tensión máxima de 70V que es mucho mayor que la cantidad permitida para el chipKit que estamos usando. Para restringir este voltaje a poco más de 5V max, conectamos el circuito de arriba con un 6.1V resistencia Diodo zener y 200 Ohm en lugar del 5.1 y 220 en la imagen. Después de construir este circuito, tenemos conectado a la Max32 con el perno hacia fuera conectado al pin analógico 1.
Luego implementamos el siguiente código MPIDE para reunir los datos de activación del sensor. El funcionamiento de este código es que tenemos un valor de tensión predeterminado, y si el pin analógico 1 está por encima de este voltaje, dispara la salida de señal de alto. Esta salida se quedará en esta señal alta para una determinada cantidad de tiempo para filtrar las vibraciones del sensor. La segunda salida es un disparador para indicar si la puerta está abierta. Es alta cuando se recibe una señal, luego es baja cuando recibe la señal otra vez.