Paso 1: Circuito de construcción






El circuito es bastante simple.
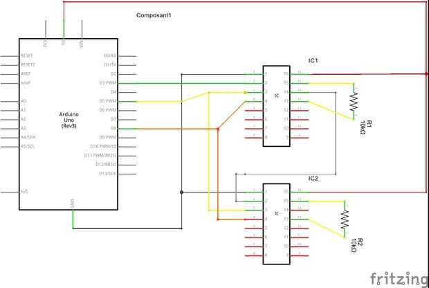
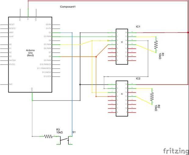
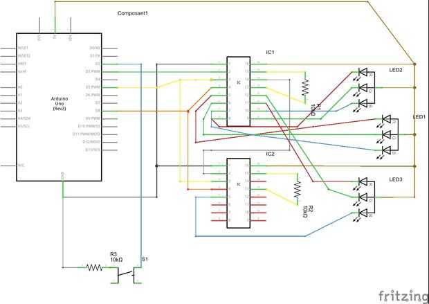
Utiliza dos tlc 5916 vinculados y un protoboard pequeño. Usé el tutorial y buen esquema en cascada dos CI desde aquí
La vista protoboard y esquema muestra el circuito completo. Puedes probarlo antes de crear el cubo. RGB LED, interruptor y led de estado se cableado durante la construcción del cubo.
Encontrará paso a esquemas de pasos:
- En primer lugar: con los dos tlc5916 de ICs
- Segundo: con los dos ICs y el interruptor
- Tercero: con dos ICs, switch y leds RGB
- Cuarto: con los dos ICs, conmutador, RGB LED y LED de estado
Al construir el cubo (ver pasos), comience con solamente el ICs por cable (primer esquema). Luego se cable swtich, RGB LED, LED de estado paso a paso.