Paso 2: Esquemático v1

OK, era solo una cuestión de armar bloques de construcción.
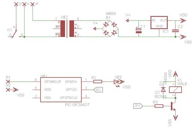
Fuente de alimentación--> línea - Trafo - puente - grande Cap (100uF haría el trabajo) - 78 L 05 - y hecho
Relé--> resistencia (1 k se saturarán el BC548) diodo de protección - relé de 5v - (1n4004)
PIC--> interno tire para arriba para la conexión de botón - un simple LED - a relés
OK eso fue fácil. Debo trabajo nada malo hasta donde. (esquema siguiente).
Dibujar el tablero, transferencia de tono, soldadura (reenvío para que no sople la sorpresa)
Ahora simplemente agregue diversión (explicado en las páginas siguientes) y programación con cableado temporal.
Subir!!!!!! Y lo haces funcionar correctamente: (...
La solución de la página siguiente...