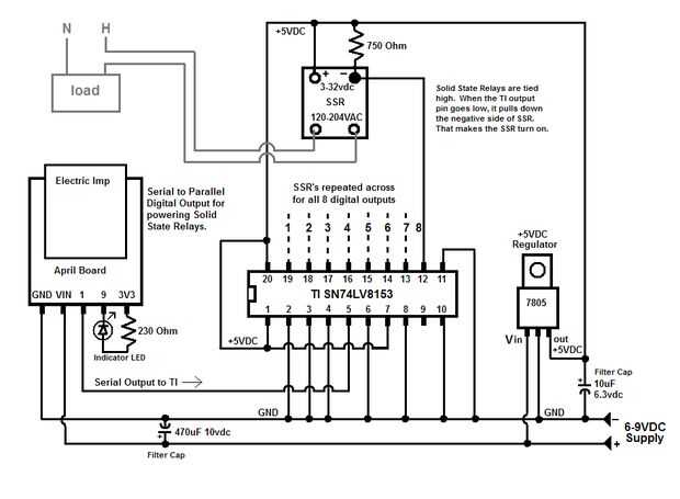
Paso 2: El esquema

Este proyecto cuenta con 120 VAC, expuesto, dentro de la caja. No abrir y trabajar en esto con energía aplicada! Usted puede hacer todo de la Junta de Imp (baja tensión) la prueba en el Banco, antes de montar los relés de estado sólido.
Muy fácil de alambre y soldadura utilizando el tablero del proyecto (diseñado para Arduino, pero grande para todos los proyectos).
Usé un 6VDC-adaptadores para mi alimentación. Conectado a un extremo de cable dentro de la caja. Esto me permite prueba/solucionar problemas de todos los componentes de baja tensión sin aplicar 120VAC a los relés de estado sólido.
La Junta sólo está poniendo en el interior del plástico de la caja roja con el Imp hacia arriba para mejorar la recepción WiFi. La recepción del router dentro de mi casa a la Imp fuera es cerca de 100 pies. Mi casa también cuenta con revestimiento de acero.