Paso 13: Mejora de alcance/alimentación














Sustitución de los motores de acelerador si más sensible modificación que hice, como duplicado mi rango a unos 30m / 100ft
Reemplacé los motores Lego originales con dos motores "Nichibo PC-280" que encontré en ebay.
Retirar la carcasa motor, siguiendo las imágenes, mientras que tratando de hacer un daño mínimo al plástico.
-Fuerza una guitarra elegir debajo de una esquina de la caja
-Con un destornillador pequeño, suavemente suelte el clip más cercano.
-Mover el pick de guitarra a lo largo y suelte el clip siguiente.
-Hacer esto hasta que todos los clips son liberados.
-Retire la parte superior.
-Tomar el motor de la base.
-Retire el conector del eje Lego, haciendo presión suavemente con un destornillador.
-Retire el conector de alimentación, haciendo presión suavemente con una púa de guitarra
-Ahora obtener el nuevo motor, con el texto hacia arriba, volver a conectar el conector de alimentación.
-Empuje el conector del eje de lego y ver si se ajusta bien. Si no, puso una gota muy pequeña de pegue en el interior del conector de eje de Lego y el empuje en el motor.
-Volver a colocar el caso (siga a las imágenes en orden inverso, si no está seguro)
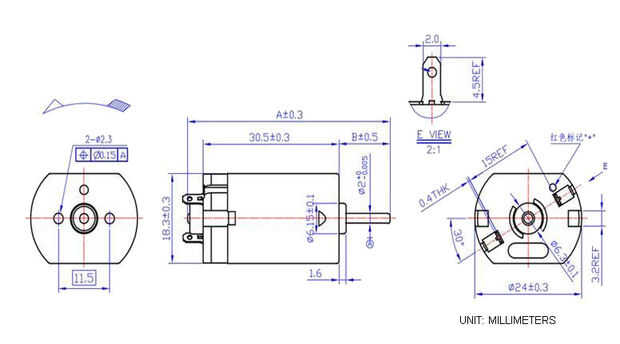
En el caso de los motores ya no aparecen, aquí es las especificaciones de los motores.
- Motor fabricado por Nichibo
Modelo: PC-280-16210
- Velocidad: 4.260 RPM
- Corriente: 280 mA
- Esfuerzo de torsión: 18.03 cm g (1.77 mN-m)
- Potencia: 8 vatios