Paso 5: Construir el prototipo en el tablero de pan



¿Por qué en un pan del tablero y no construir directamente la veroboard?
Bueno, es una muy buena idea para construir el prototipo en el tablero de pan antes de que la soldadura de los componentes en la veroboard porque...
- Usted obtendrá una mejor idea sobre cómo construir una 'real' de la veroboard.
- Puede asegurarse de que todos los componentes que funcionan bien, si no, usted puede substituir fácilmente.
- Puede modificar o tweet el circuito un poco darle el altavoz plasma un mejor rendimiento.
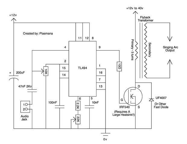
Construí mi circuito con mi esquema simplificado en la placa de pan que es conectada al kit "Laboratorio electrónico" que tuve hace mucho tiempo.
Para conectar el transformador flyback el circuito, viento 5 o más vueltas de alambre grueso núcleo macizo en el núcleo de ferrita. Será su bobina primaria.