El Multi - formato reloj Instructable (4 / 6 paso)

Paso 4: La tarjeta principal

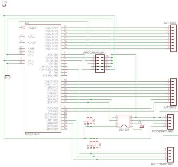
La junta principal alberga el atmega16, el DS1307 y todas las piezas necesarias para hacer los trabajos correctamente. También alberga las 3 resistencias de 1,5 K para los botones, así como el buttonboard sí mismo.

El diseño de pcb también indica la ubicación de los 3 discos. Taladro justo en el punto de mira.

Artículos Relacionados

El multi-formato reloj - concurso regalo

El multi-formato reloj - concurso regalo

tienden a tener buenas ideas cuando no necesita, pero cuando los necesite siempre enfrento la pared negra de no inspiración. Tuve que subir con una idea para un regalo de Jeff-O. Después de una larga semana sin inspiración, se me ocurrió esto:Un relo
Reloj multímetro

Reloj multímetro

el Multímetro reloj consta de tres multímetros, primer medidor muestra horas, la segunda muestra minutos y los últimos segundos. Un microcontrolador PIC 16F628A realiza un seguimiento de tiempo y salidas de una corriente calculada a cada metro para m
Formato de texto de Instructables

Formato de texto de Instructables

.  Este iBle fue sustituido por la introducción del nuevo editor a principios de 2010. La información aquí no se aplica en Instructables.Paso 1: HTML No se admite la entrada de HTML directo en Instructables. :(Utilice el "WikiFormatting" descrit
IoT tiempo deformación reloj Dali

IoT tiempo deformación reloj Dali

El tiempo vuela cuando te diviertes y arrastra cuando estás aburrido. Tiempo es obviamente relativo: nuestra percepción del tiempo cambia con nuestro estado de ánimo, y es solamente justo que relojes deben ser capaces de ajustar la velocidad del tiem
Reloj regulador de reproducción

Reloj regulador de reproducción

Este instructableEste instructable muestra cómo hacer un reloj regulador de reproducción usando una vieja caja de reloj y tres movimientos de cuarzo.He utilizado a un viejo Inglés 12"(300mm) caja del reloj Dial de Ebay pero ningún caso se puede utili
¿TimeKeeping en ESP8266 & arduino uno sin un RTC (reloj en tiempo Real)?

¿TimeKeeping en ESP8266 & arduino uno sin un RTC (reloj en tiempo Real)?

Como dice el titulo, he probado hacer el seguimiento de tiempo en mi arduino uno y la ESP8266 / tablas Wemos D1 (programadas con arduino) sin el uso de bibliotecas, internet o una unidad RTC. Un montón de instructables grandes aquí en el sitio Dile q
Reloj de abuelo "Atómico" de Arduino

Reloj de abuelo "Atómico" de Arduino

Yo quería un reloj de abuelo de electro-mecánicos que no requerían de la bobina y la corrección de cada semana, pero que parecía y sonaba tan original como sea posible.ver mi sitio aquí Por reloj webEste Instructable muestra cómo agregar Arduino cont
Reloj de pulso de Arduino DCF77

Reloj de pulso de Arduino DCF77

IntroducciónEste Instructable te muestran cómo hacer un reloj de pulso digital y agregarlo a un viejo reloj caso de 12"(300mm) o el dial y el bisel. He utilizado un antiguo reloj Inglés de marcado con 12" dial pero cualquier reloj con un grande
Dr. que inspirado reloj de escritorio

Dr. que inspirado reloj de escritorio

he hecho bastantes reloj instructables relacionados últimamente y me parece que cuando estoy trabajando en un reloj me da una idea para otro (en este caso a tener una casa llena de relojes).  Así que la última idea que llevaba era hacer un back lit r
Instructivo educativas de Instructables

Instructivo educativas de Instructables

el formato de Instructables es un excelente recurso para la educación basada en proyectos. Para todos los grados, áreas y niveles de habilidad, Instructables están disponibles para tratar una variedad de normas.Paso 1: primaria Los alumnos de primari
El nuevo y mejorado sin cepillo eléctrico Scooter sistema Guía de alimentación

El nuevo y mejorado sin cepillo eléctrico Scooter sistema Guía de alimentación

en 2008, armé una guía en Instructables acerca de cómo actualizar el sistema de alimentación de su pequeño vehículo eléctrico personal. Fue una cartilla sobre los fundamentos de un sistema eléctrico de vehículo eléctrico y ofrece recursos y consejos
Construir su propio controlador de cámara inalámbrica de múltiples funciones (¡ barato!).

Construir su propio controlador de cámara inalámbrica de múltiples funciones (¡ barato!).

Introduction¿Siempre creyó su propio controlador de cámara de la construcción?Nota importante: Condensadores para la MAX619 son 470n o 0.47u.  El esquema es correcto, pero la lista de componentes era incorrecto - actualizado.Es una entrada en el conc
Botón de Netflix! IR de Arduino controlar Xbox 360

Botón de Netflix! IR de Arduino controlar Xbox 360

Se trata de un Arduino que envía señales de rayos infrarrojos para activar Netflix con el empuje de un botón. Es un buen ejemplo del uso de IR a control TV, estéreo, consola Xbox 360 ni nada! Esto también va en profundidad sobre el uso de códigos IR
El temporizador de Pee: Conectar el Arduino, la cámara de computación perceptiva de Intel y una bomba de agua sumergible

El temporizador de Pee: Conectar el Arduino, la cámara de computación perceptiva de Intel y una bomba de agua sumergible

en este Instructables caminaremos a través de cómo conectamos una cámara de computación perceptiva de Intel, un Arduino Uno y una bomba de agua sumergible para que la bomba de agua transfiere agua de un recipiente a otro cuando nadie está sentado fre