Paso 9: El secuenciador (diseño)



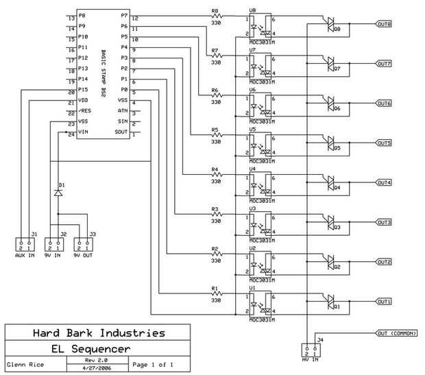
Para mi primer intento utilicé triac para la salida EL. Sin embargo, esto resultó no funcionan bien, el Triac se dispara todo el tiempo. No estoy seguro de lo que salió mal, pero tener tanta tensión tan cerca el sello me hizo nervioso de todos modos, por lo que rediseñado el circuito para utilizar triac de opto-aislado. Estos vienen en paquetes de 6-pines DIP y consisten en un LED al lado de un triac de la foto-sensible, por lo que pueden mantener las tensiones de altas y bajas separadas. He utilizado MOC3031M de Mouser. A continuación se muestra el esquema. Los MOCs realmente sirven como disparadores para regualr triacs. Cableado a la HV a los MOCs no funcionará.
Para crear la Junta, usé mi técnica de PCB casera, explicada en detalle en mi instructable aquí.
Lista de partes:
(1) basic Stamp II (además Junta de programador independiente--viene con los kits del arrancador de BS)
(1) 24-pin zócalo DIP, 0,6"(tienes que ser capaz de quitar el sello para (re) programación)
(1) diodo
(8) 330 ohm, resistencias de 1/4 watt
(8) opto-aisladores, paquete de la inmersión de 6 pines, MOC3031M o similar (yo usé Mouser #512-MOC3031-M)
(8) triac, 400v o paquete superior, a-92 (utilicé Mouser #511-Z0103MA)
(1) 9-pin conector (usé CAT # CON 90 de allelectronics.com, pero algo similar funcionaría)
(3) 2-perno bloqueo conectores (he utilizado algunos que quedaron de un orden anterior a coolight.com, así que ya igualado mi inversor batería pack entradas y salidas, pero parece que # de parte allelectronics.com CON-240 es lo mismo)
(1) 2-pin conector de tipo cabecera (opcional - para la entrada de aux, no usarlo en mi tabla)
Una nota acerca de los conectores: Diseñé mi secuenciador y otras piezas fácilmente reutilizar para otros proyectos. Así, todas las piezas principales (batería, secuenciador, arnés de cableado, inversor y los cables) son piezas separadas que utilizan los mismos tipos de conectores. Así, puedo conectar la salida del inversor directamente en un filamento de alambre a prueba, utilice sólo un par de canales de secuenciador en vez de los 8 o no usar el secuenciador en todos. Todas las entradas (alto voltaje en los cables EL, 9v en el tablero de secuenciador, 9v en el inversor) utilizan conectores hembra; todas las salidas (9v de la batería, alto voltaje en el inversor, HV en el arnés de cableado) conector macho de uso. La única excepción es el conector de 9 pines que solía organizar las salidas de alto voltaje de la placa secuenciador. Ese conector me permite reconstruir el arnés de cableado según las necesidades de un proyecto en particular, sin tener un lío de conectores de brotación de la Junta de secuenciador. Puede utilizar un tipo diferente de conector para el lado de alto voltaje para seguridad, y puede utilizar un diverso arreglo/sistema de conectores totalmente. Otros fabricantes del secuenciador (Mikey) utilizan cable de cinta para salidas; que es una buena idea también... lo que funciona para usted!
Una nota sobre el controlador: utilicé la estampilla básica II por varias razones. Primero y principal, mi compañero de trabajo tenía uno que me prestó junto con la Junta de programación, por lo que era libre. También, soy totalmente nuevo en controlador de programación, pero aprendido BASIC hace años, para el BSII parecía muy fácil de aprender, y fue. Finalmente, el BSII tiene su propio regulador de voltaje incorporado, que simplifica el diseño del circuito. Usted puede utilizar casi cualquier tipo de microcontrolador programable, como un PIC o lo que sea. Obviamente las conexiones sería diferentes, y usted tendría que incluir un regulador de voltaje en el diseño.