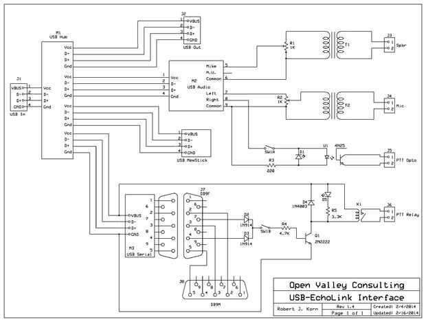
Paso 4: Montaje del panel de Audio


Esto fue bastante fácil, pero si quieres más detalle ver mi instructable para la interfaz de SWL. Su la misma Junta. No tienes que construir esto en tableros separados si no quieres pero tenía una interfaz SWL extra poniendo alrededor así que usé aquí.
Si utilizas una tabla suficientemente grande que puede atar con alambre atar el Hub USB y Memory Stick a la Junta... Utilizar estos tableros más pequeños porque son solamente $10 cientos en eBay y tengo muchos de ellos.













