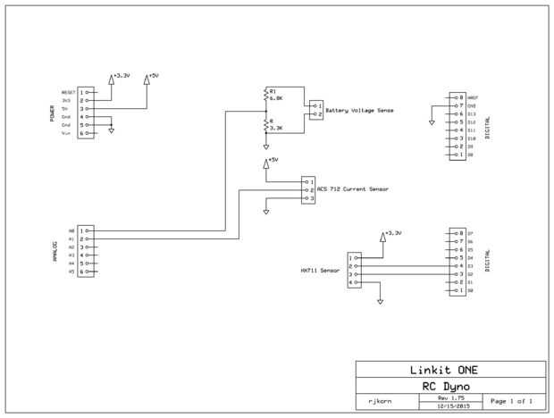
Paso 7: Diagrama esquemático y código

Cableado para arriba es bastante simple. El código es incluso más fácil. Envíanos 3 valores separados por comas. Empuje, voltaje, corriente. Tenía allí milisegundos también pero no parece que sea necesario. Dejo la trama de la máquina de hacer todo el trabajo duro.
Particularmente me gusta utilizar su Alarma Klaxon para condiciones de sobrecorriente y bajo voltaje...