Paso 3: Deja que hable

Ahora que tienes tanto Arduino feliz y de parpadeo, que es un buen logro. Ahora vamos a hacer que hablar! Vamos a hacer un arduino como el maestro y el otro actuará como esclavo. El maestro enviará datos al esclavo.
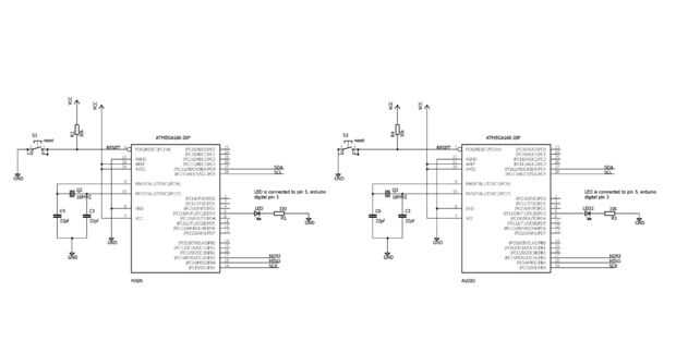
Las fichas de conexión es muy sencilla. Sólo tiene que conectar los pines SCL y los entre las virutas.
Ahora que todo está conectado su tiempo para enviar algunos datos!
Añadir el siguiente código para el maestro
Añadir este código al esclavo:
¡ Corre!
Debería ver un LED que parpadea en el esclavo. Observe que el LED conectado al chip esclavo es controlado por el maestro :)