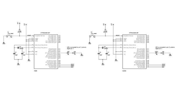
Paso 2: Agregar la segunda base y hacerlo parpadear también


Ahora que tenemos un LED parpadeando, repita lo que hiciste en el paso anterior y agregue el segundo Atmega328p, con su cristal y condensadores y hacerlo parpadear.
Programación segunda arduino:
Básicamente usted desconecte el USBISP del primer chip y conecta al segundo chip para programarlo. No muy convinient recablear el ISP cada vez que desees cambiar las fichas. Así que lo que puede hacer es conectarse al ISP de la IC y desconecte el SCK (reloj serial) del chip que no quiere programar.
Usted debe tener ahora dos LED parpadeando y podrás cambiar entre las fichas y programación por conectar y desconectar los pines SCK .