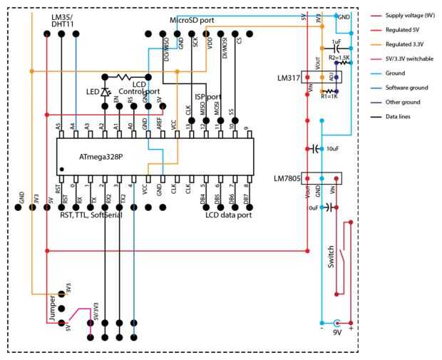
Doble voltaje Arduino de Logger de datos genérico (2 / 6 paso)

Paso 2: diseño

Aquí va el diseño de conexiones en el tablero de la tira. Para su comodidad he color-coded de los cables y tiras y definidas en la leyenda. También es una tira esquemas amigables, otra vez en diferentes colores. No te dejes obtener intimidados ante la aparente torpeza o la complejidad del diseño, por favor, tenga conmigo -: voy a dividir en segmentos funcionales en secciones posteriores.

Artículos Relacionados

Alta eficiencia de doble voltaje alta corriente (hasta 3A) fuente de alimentación

Alta eficiencia de doble voltaje alta corriente (hasta 3A) fuente de alimentación

yo estaba buscando una fuente de alimentación de doble voltaje inicialmente a un disco duro viejo con 12V y 5V de alimentación. Quería crear un servidor casero basado en el Pi de frambuesa. Más tarde me di cuenta de que tenía un más nuevo disco duro
Sensor de temperatura/humedad + Arduino + adquisición de datos LabVIEW

Sensor de temperatura/humedad + Arduino + adquisición de datos LabVIEW

Este tutorial explicare paso a paso sobre cómo configurar su SHT15 sensor (temperatura y humedad) para adquisición de datos utilizando Arduino. El tutorial más explica cómo LabVIEW utilizará para recopilar los datos detectados para proporcionar la re
Cómo convertir tu smartphone en un escudo genérico para Arduino

Cómo convertir tu smartphone en un escudo genérico para Arduino

Hola chicos, soy uno de los creadores de 1Sheeld, es una aplicación móvil y una placa que convierte tu smartphone en una plataforma abierta para Arduino.ComponentesArduino Uno $19,991Sheeld $54,94Protoboard, puentes, LEDsLa idea básicamente es hacer
Hacia un aparato plástico genérico algo un poco más hermoso

Hacia un aparato plástico genérico algo un poco más hermoso

motivación:Durante el verano estoy ya sea navegando o trabajando en proyectos alrededor de nuestro pequeño jardín, granja. Invierno está sobre nosotros aquí en Boston y estoy listo para empezar a atacar a la larga lista de proyectos que he pospuesto
Traje de Jedi, genérico

Traje de Jedi, genérico

esto es una túnica de jedi genérico instructable basado en de algunos otros que he encontrado en otros lugares en el internets.  Estoy usando algunas opciones y consejos que he encontrado en otros sitios-it de una túnica de jedi, por lo que es no es
Modificar un cargador de coche USB genérico para cargar un iPod de 3 ª generación Nano

Modificar un cargador de coche USB genérico para cargar un iPod de 3 ª generación Nano

tengo un iPod de 3 ª generación Nano. Detecta que está conectada pero se niega a cargar desde un coche genérico -> adaptador de carga USB, pero no apetece comprar un cable adaptador o aún otro cargador para el iPod, por lo que he modificado uno que y
Cableado genérico de un controlador de Motor Sevcon Gen 4 con acción Stop!

Cableado genérico de un controlador de Motor Sevcon Gen 4 con acción Stop!

Diagrama de cableado genérico que muestra los conceptos básicos. 
Genérico, cuchillo Machete longitud

Genérico, cuchillo Machete longitud

Hola chicos, aqui otra vez, que vienen en usted con un cuchillo simple y genérico que hice cuando estaba aburrido. He usado acero inoxidable 440, pero es absolutamente durable porque la hoja es realmente no que larga. Para el mango usé madera fina en
Cómo hacer que los caracteres genéricos de arcilla

Cómo hacer que los caracteres genéricos de arcilla

este es una video que muestra como hacer personajes de arcilla genérico, ver de cerca
Modificar un barato genérico K6000 vehículo grabador DVR coche para poca luz

Modificar un barato genérico K6000 vehículo grabador DVR coche para poca luz

este instructable no será útil para la mayoría de la gente, pero he solicitado para escribir otros tratando de modificar sus webcams K6000.He comprado un barato (<$ 25) carcam (enlace de Amazon al producto) que tiene un montón de grandes característi
Cómo se benefician de los laboratorios de genéricos

Cómo se benefician de los laboratorios de genéricos

en promover desarrollo intensivo laboratorios genéricos utiliza los beneficios que se elaboran. En las inversiones realizadas por la empresa entre muchos otros, refleja también es inmensa. También algunas patentes se han obtenido por la empresa.Se co
Comprar genérico Clomid | Comprar Clomid Over Fedex contador

Comprar genérico Clomid | Comprar Clomid Over Fedex contador

Clomid y TylenolBúsquedas relacionadas:Clomid orden una mastercard prepagadaClomid sin recetagenérico Clomid fedex noche a la mañanagenérico Clomid fedex noche a la mañanaprecio más barato en Clomid genéricoClomid contra-reembolsoClomid y precioClomi
Doble voltaje regula la fuente de energía para proyectos Arduino/microcontrolador

Doble voltaje regula la fuente de energía para proyectos Arduino/microcontrolador

un par de meses atrás cuando primero tuve mis manos en el Arduino Uno, no tenía idea donde eso 3.3V energía junto a los pines de 5V viene de, o más exactamente, lo no realmente pienso hasta que tuve que hacer mis propias versiones de independiente pr
Conmutable doble voltaje (3.3v / 5v) Hacduino

Conmutable doble voltaje (3.3v / 5v) Hacduino

esta es mi segunda versión de un Hackduino. Construí la primera de ellasun tablero de Radio Shack PC (placa soldable) con un IC de triple-paddiseño de página. Resultó ser, esencialmente, un clon de Arduino Duemilanovecompleto con headers para conecta