Paso 4: prueba


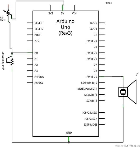
Tomá tu sensor (si querés, podés soldarle pines en los extremos de cable para sea más amigable para la protoboard), tu potenciómetro y tu timbre y conectalo según el esquema se ve aquí debajo (gracias, Fritzing!). Subí el código se encuentra debajo. Mové el potenciómetro un sensor el de ambos lados para calibrar. Suerte!
-----------------------------------------------------
Ahora que su sensor flex está listo, puede intentarlo con Arduino.
Tome su sensor (puede soldar pernos en sus terminales para que sea más favorable al protoboard), el potenciómetro de 1M y su timbre y conect ellos siguiendo el esquema o protoboard imagen siguiente (¡ graciasFritzing!). Añadir el código que sigue. Mueva la perilla de ambos lados para calibrar el sensor. ¡Buena suerte!
PRINCIPIOS DE DIBUJO
/*
Mash up horrible de bocetos por Jorge Crowe de Toylab
http://toylab.wordpress.com/
Matriz de frecuencias tomado de bosquejo de Auduino por Peter Knight,
Tinker.it http://tinker.it
https://code.Google.com/p/tinkerit/downloads/detail?Name=auduino_v5.PDE&Can=2&q=
Alisar la parte tomada del ejemplo suavizado por David A. Mellis < presa
http://www.Arduino.CC/en/Tutorial/smoothing
Lo lamento mucho... Utilizarlo y mejorarlo! Por favor!
*/
int frecuencia [35] = {77,86,103,115,129,154,173,206,231,259,308,346,
411,461,518,616,691,822,923,1036,1232,1383,1644,1845,2071,2463,2765,3288,
3691,4143,4927,5530,6577,7382,8286};
const int numReadings = 10;
const int zumbador = 9;
int lecturas [numReadings];      las lecturas de la entrada analógica
Índice de int = 0;                  el índice de la lectura actual
int total = 0;                  la corriente total
int promedio = 0;                el medio de
int inputPin = A0;
void setup() {}
pinMode (zumbador, salida);
para (int thisReading = 0; thisReading < numReadings; thisReading ++)
lecturas [thisReading] = 0;
}
void loop() {}
total = total - lecturas [índice];
lecturas [índice] = analogRead(inputPin);
total = total + lecturas [índice];
index = index + 1;
Si (Índice > = numReadings)
índice = 0;
promedio = total / numReadings;
int val = mapa (promedio, 0, 1023, 0, 34);
tono (timbre, freq[val]);
}
FINAL del bosquejo













