Paso 1: Los tableros de control




Por lo tanto, tomé mis tableros de control (Arduino, Arduino shield y partes de Tx/Rx) desde el proyecto de tanque y el sketch de Arduino. He desactivado las funciones extras (cañón y Ametralladora láser, Torreta control) en el bosquejo comentando hacia fuera y fue creado para ir.
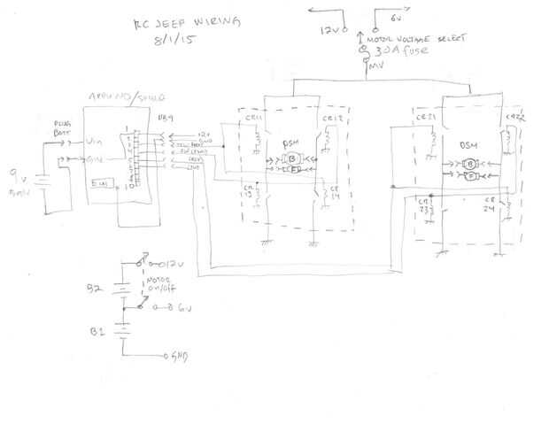
Tengo que añadir relés para manejar los motores más grandes. Decidí usar relés automotrices de 12 V que son baratos y pueden manejar hasta 20 A. Estos pueden ser conducidos directamente de mi escudo Arduino chip de controlador L293. Son SPDT para que 8 de ellos fueron requeridos (4 por puente en H).