Paso 1: De parte lista, circuito y PCB



Pequeño puente H para control de dirección de dos motores con arduino.
Diseñado para el uso de la protoboard.
Lista de piezas:
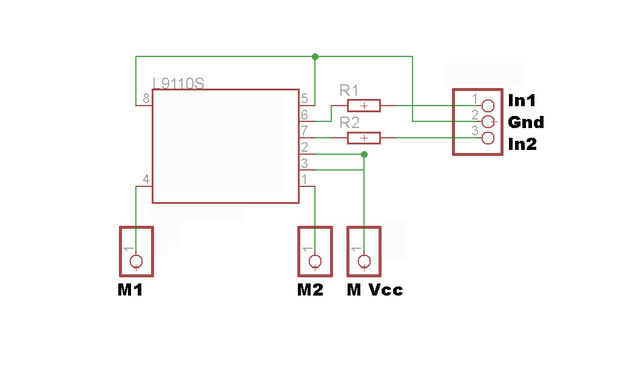
-Conductor del motor L9110S SMD IC
-0805 resistencia de 1K (2 x)
Descripción:
Motor conectado a la M + y M-pins.
Motor alimentado en el pasador de MVcc con batería externa (o de 5v de arduino)
La tierra de la batería externa es común con arduino.
El L9110S controlado en el contacto I1 y I2.
Si I1 entrada alta, M + había salida alta, M-outputlow. (una manera de la vuelta del motor)
Si I2 entrada alta, M + salida alta baja, salida de la M (motor gire otra forma)
Que te diviertas.