
















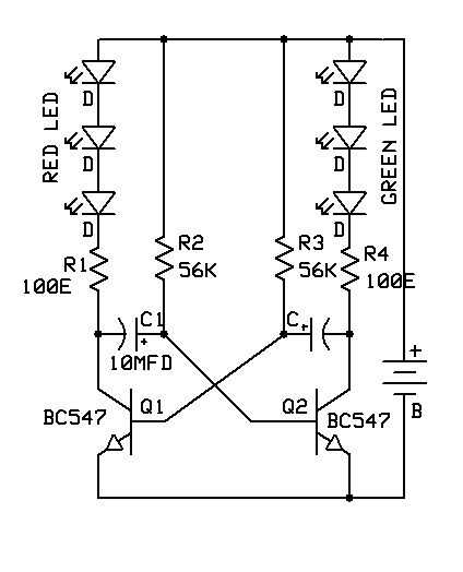
Pensé por qué no construir un pequeño portátil intermitente de mi bicicleta (me costo aproximadamente Rs. 65, wee solo poco más de un dólar estadounidense) y en pasar por mi acción, me encontré con muy pocos componentes, una pequeña caja, pero el soporte para fijar en la bicicleta parecía un problema, pero cualquier manera, tenía dos reflectores en mi bicicleta que desmanteló y comenzó a trabajar en el proyecto... leer en.













