DIY $1 PIC 12f675 JDM Programmer (barato y fácil) (2 / 5 paso)

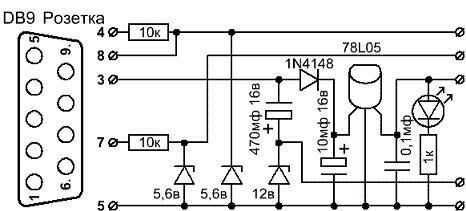
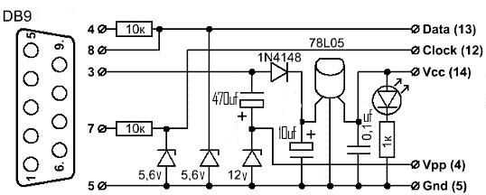
Paso 2: esquemático

Han convertido el esquemático del ruso al inglés y por lo tanto para todos aquellos que no pueden entenderme como el ruso, Inglés unos. (Tardé 20 min en encontrar las palabras correctas rusas para convertir a Inglés con google traducen)

y otro es el pinout para conectar el PIC con etiquetas en otro esquema ;)

Artículos Relacionados

PIC 12F675 programador/OscCal Restore/probador de

PIC 12F675 programador/OscCal Restore/probador de

Uno de mis circuitos que construyo muy a menudo (20-40 a la vez), usa un PIC 12F675. Tuve los siguientes problemas:Los consejos que hacen, no tiene capacidades de programación en el circuito. Esto es para permitir un pequeño diseño de tablero de PC.
PIC 12f675 mini protoboard

PIC 12f675 mini protoboard

ya que tengo muchas ideas sobre los diversos usos de los microcontroladores siempre pasa que tengo que construir la configuración básica del microcontrolador (microcontrolador con oscilador).Finalmente me decidí a hacer un pequeño (o debería decir mi
Monitor de baterías de 12V programable PIC 12F675

Monitor de baterías de 12V programable PIC 12F675

Ser un chico activo al aire libre, tengo unos cuantos diferentes tipos de luces de 12V y una variedad de tipos de la batería.-Para volar aviones RC y quadcopters por la noche, utilizamos las baterías de ácido plomo sellada para nuestras mesas de club
Barato y fácil de hacer teclados Steampunk

Barato y fácil de hacer teclados Steampunk

después de mirar algunos de los teclados retros fancy en sitio de Datamancer y el buen tutorial sobre el Steampunk taller, quería hacer uno yo mismo. Por desgracia, carecen de las herramientas y el espacio y dinero para poner y cortar latón, y no soy
Accesorio para mi rifle barato y fácil!

Accesorio para mi rifle barato y fácil!

Paso 1: cosas! Solo necesitas un bolígrafo fricción, conducto de cinta, mi "barato y fácil rifle! Y las balas del airsoft.Paso 2: Hacer los tontos! Solo sacar la goma de borrar y la tinta de la pluma, poner en las balas en la parte posterior de la pi
Reblocking un sombrero de fieltro de Vintage - barato y fácil

Reblocking un sombrero de fieltro de Vintage - barato y fácil

me encanta sombreros vintage - especialmente los de los 20s a 40s. Hace poco me interesé en hacer sombrero o sombreros. Y me fui a comprar algunos para hacer un sombrero de piel. Pero los comercios no venden y vende en línea para más de lo que estoy
Biogas en casa barato y fácil

Biogas en casa barato y fácil

Hola, soy chitlange de Sahas, envejecimiento de 14, de la India. Aquí es mi casero, barato y fácil construir mini planta de biogás. Quemaduras por aprox. 20-30 minutos en un mechero de Bunsen. puede agregar cualquier cosa de la basura de la cocina (c
Arandela de Pvc barato y fácil mano perro

Arandela de Pvc barato y fácil mano perro

¡ Hola chicos! Gracias de tanto por hacerme corredor para arriba en el concurso de PVC! Probé varias formas hasta que encontré la manera más eficiente y barata para lavar a mi perro. Este pesa alrededor de 3,5 libras y es muy fácil de maniobrar. ¡ Es
Gel de baño barato y fácil de

Gel de baño barato y fácil de

Hola chicos!Hice este Gel de baño de primavera irlandesa para mi esposo esta semana y le encanta.Todo lo que necesitaba era un bar o ' Irish Spring, un rallador, un pan y agua. Además de un recipiente para poner el gel en después de él fue hecho de c
Cargador de velocidad baratos airsoft fácil

Cargador de velocidad baratos airsoft fácil

no chupan cuando su fijados abajo, carga tu arma un bb en un momento. bueno, con esto todo lo que tienes que hacer es la línea de la punta y puul hacia fuera del ring y tiene diapositiva de bb en.Este es mi primer instructible así despedir.Paso 1: ma
Airsoft barato y fácil arma 2.0

Airsoft barato y fácil arma 2.0

por lo que estaba trasteando con mi rifle barato y fácil y tuve una gran idea. Tiene un mango! Después he añadido la manija, fue mucho más fácil de "manejar": 3. Incluso no necesita hacer un nuevo arma para tener el mango!Paso 1: fuentes de Todo
Cómo hacer un probador de continuidad barato y fácil!

Cómo hacer un probador de continuidad barato y fácil!

Cada multímetro tiene un probador de continuidad. Pero qué haces cuando no tienes un polímetro o si está roto y que desea probar la continuidad de un circuito. Así es que Hazte un probador de continuidad. En este instructable aprenderá a hacerte un p
Barato y fácil intercomunicación

Barato y fácil intercomunicación

en este instructable, les enseñaré como hacer un intercomunicador barato y fácil, con dos (o más) walkie talkies.Paso 1: Se necesita dos o más walkie talkies establece en el mismo canal y algún tipo de caso para mantenerlo en (yo usé un par de modems
Que barato y fácil simular sangre!

Que barato y fácil simular sangre!

Te mostramos cómo hacer barato y fácil simular sangre! Con ingredientes que se pueden encontraron en todo el mundo!Lanzar una rápida receta para pasta de sangre y tienes una solución fácil de la película gore que hace!