Diversión Shway pantalla (14 / 21 paso)

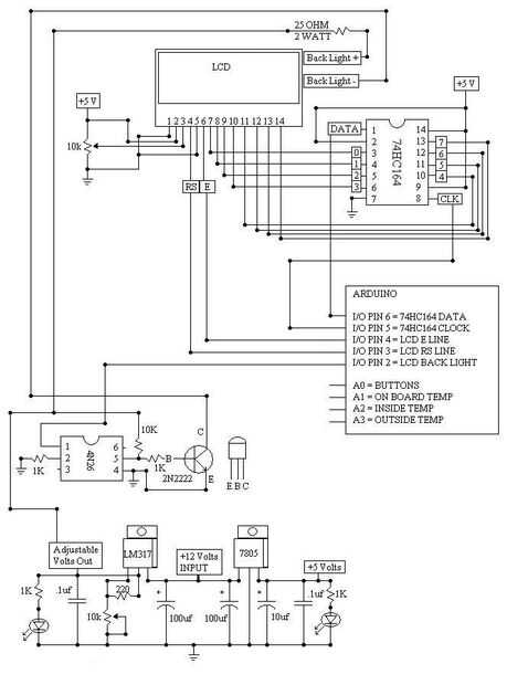
Paso 14: Esquema principal

Ahora que la parte de marco de foto de este está lista para usar su tiempo para la parte electrónica de esta pantalla.

Artículos Relacionados

En su propio tiempo!

En su propio tiempo!

8 veces siete segmentos pantalla inducida por me hacer este dispositivo de reloj. El principio de diseño es: mostrar el cableado y la electrónica!Después de probar con el Arduino y un protoboard decidí hacer algunos ejemplos en el PWB. También las se
Tomar "su" mundo usando BASIC

Tomar "su" mundo usando BASIC

Pinky: "Gee, cerebro, ¿qué quieres hacer esta noche?"El cerebro: "Lo mismo que hacemos todas las noches, Pinky, tratar de conquistar el mundo!"- Pinky y cerebro¿Tratando de subir con un asombroso despliegue de Halloween o Navidad?¿Qué
Pantalla plana sonido envolvente la diversión

Pantalla plana sonido envolvente la diversión

Tengo un pequeño plano de 18 pulgadas pantalla tv / monitor. Pero es un poco demasiado alta tecnología y aspecto de plástico negro. Así que hice un simple madera rodea 'Teatro' para cubrir para arriba y que se ajuste con los muebles de mi casa. Así q
Arduino pantalla VFD reloj Tutorial - guía de VFD muestra

Arduino pantalla VFD reloj Tutorial - guía de VFD muestra

... + Un poco de VFDs¿Recuerdas (aún) la pantalla de su viejo reproductor de CD, radio coche o sistema HiFi? ¿Has notado la muestra utilizada en el supermercado que te muestra el elemento analizado y el precio de la misma?Estas pantallas tienen un ca
Doble pantalla Digital foto marco & Family Center

Doble pantalla Digital foto marco & Family Center

en respuesta a exhortaciones de mis amigos, estoy haciendo este instructable.  Desgraciadamente, esto significa que no tienen ningún "making of" fotos, ni ningún reales precios de piezas usadas.Tengo un hogar para tech díscolo y estaba mirando m
Frambuesa Pi: Usando 1$ I2C LCD mochilas 1602 pantallas y botones!

Frambuesa Pi: Usando 1$ I2C LCD mochilas 1602 pantallas y botones!

¡ Hola! Soy Arsenijs, gusta construir cosas con frambuesa Pi y últimamente he estado trabajando con pantallas de caracteres, así como sus mochilas de I2C, por lo que yo he coleccionado algunos hacks que puedo mostrarte. Hoy, te diré cómo ahorrar un m
Pantalla de proyector al aire libre con un presupuesto

Pantalla de proyector al aire libre con un presupuesto

juegos de video y películas al aire libre puede parecer como una actividad de nicho, pero es una experiencia única que es un gran pleaser multitud si usted tiene un gran espacio al aire libre. Una vez que empiezas a usarlo, volviendo a su viejo telev
Atril digital: Frambuesa Pi + pantalla táctil

Atril digital: Frambuesa Pi + pantalla táctil

IMSLP es una de las grandes cosas que suceden en el mundo de la música clásica en la historia reciente. Para los que no saben, IMSLP.org es una biblioteca en línea de cualquier partitura que ya no está bajo protección de copyright. Usted puede encont
Juego estación de reciclado pantalla portátil y madera vieja

Juego estación de reciclado pantalla portátil y madera vieja

Hola y gracias por tomarte un tiempo para leer mi Instructable última, espero que usted encuentra útil como una guía para crear algo similar o por lo menos eso él te inspira en tu propio proyecto. Y si te resulta útil te lo agradeceria te votar por m
Impresión de pantalla de foto emulsión

Impresión de pantalla de foto emulsión

a veces necesita que su mensaje hacia fuera rápidamente y barato. ¿Cómo imprimir un montón de camisetas y parches rápidos? Aquí está cómo lo hice.Este Instructable cubre el proceso de impresión de pantalla de foto emulsión estándar, es ideal para imp
Lámpara de madera reciclada con Himmeli pantalla!

Lámpara de madera reciclada con Himmeli pantalla!

Lámpara de madera reciclada con Himmeli pantalla!Saqué un viejo palet aparte... y había grandes bloques de madera entre las capas.Eran chatarras y fueron colocados en la pila de "quema posterior".Fin de semana pasado Encendimos fuego de Smás y e
Raiden (Cyborg Ninja) con pantalla motorizada de Metal Gear

Raiden (Cyborg Ninja) con pantalla motorizada de Metal Gear

era un gran fan de Metal Gear Rising: Operator justo después de que primero jugado el videojuego demo y pensamiento Raiden era impresionante.  ¿Un ninja cyborg no es cool?  Este fue un nuevo reto para mí, como tengo libre nunca un traje de antes.  De
Cambio pantalla de color

Cambio pantalla de color

por encargo color múltiple Mostrar.¿Siempre ha querido una pantalla que es un poco más grande y luego uno que se puede comprar?¿Que siempre quisiste hacer una exhibición de lo que usted quería?¡Yo también!Se trata de cómo hice un encargo múltiples pa
Sensor de presión de Arduino (FSR) con pantalla LCD

Sensor de presión de Arduino (FSR) con pantalla LCD

Este instructable (esperemos) demostrar cómo construir un sensor de presión basados en Arduino que muestra la presión medida en una pantalla pequeña del LCD. Incorporé elementos, tanto de hardware como de software, de diversas fuentes (se proporciona