Paso 1: Un microcontrolador sencillo circuito


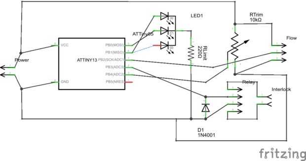
Interpretar la secuencia de pulsos del sensor utilizaremos un microcontrolador ATtiny85, esto va a contar los pulsos y cuando se consigue el caudal deseado se cierra un relé, completando el circuito de enclavamiento.
Para ayudar con el diagnostico de un LED RGB está equipado, y para la configuración de un bote pequeño de ajuste se utiliza para fijar el caudal de umbral. El relé es un relé de láminas pequeñas donde la corriente de la bobina es suficientemente baja como para ser conducido directamente mi el microcontrolador.
El grifo de centro de la maceta de adorno se conecta a un análogo de la entrada, el sensor de flujo a un pin de interrupción digital, y el LED utiliza dos pernos de repuesto de la salida (rojo, verde)
Diseñé la disposición del PWB usando Fritzing como los componentes eran bastante simples.













