Paso 2: Construir el relleno plástico

Si utiliza material relativamente fino tablero plástico, probablemente puede utilizar un conjunto de tijeras de trabajo pesado o tijeras para cortar el inserto.
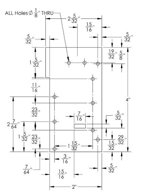
Las dimensiones (en pulgadas) se muestran en el dibujo arriba y son aproximadas. Puede que necesite hacer algunos lijado para un mejor ajuste.
Después de construir el relleno, pruebe deslizándolo en la parte inferior de la caja y colocarle la parte superior. Si no encaja correctamente, sacar el papel de lija y pulir las piezas que están interfiriendo.













